EasyManua.ls Logo

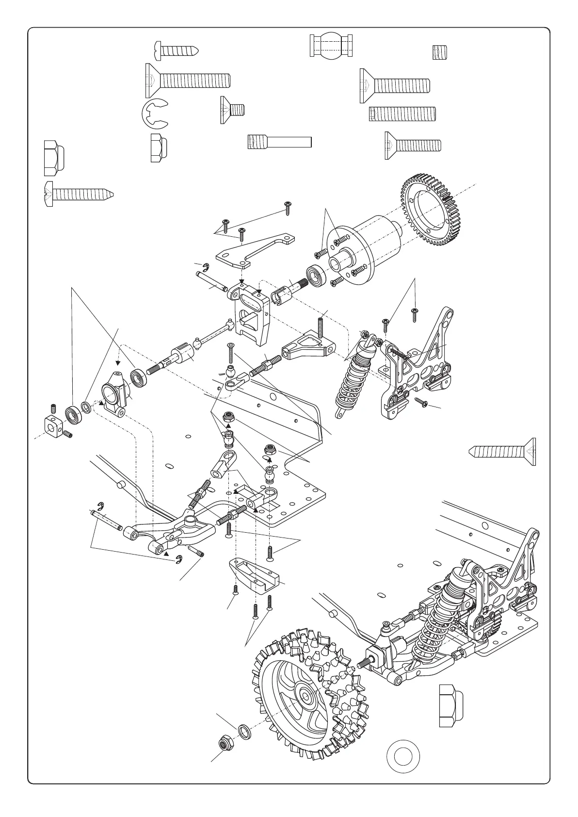
Carson Attack EVO - Hinterachse; Rear Axle

Carson Attack EVO
37 pages
Print Icon
To Next Page IconTo Next Page
To Next Page IconTo Next Page
To Previous Page IconTo Previous Page
To Previous Page IconTo Previous Page
Loading...
Senkschraube M4x25
Countersunk screw M4x25
Vis noyée M4x25
M4x25Tornillo cabeza avellanada
Hinterachse
Rear axle
Essieu arrière
Eje trasero
E-Ring Ø5
E-ring Ø5
Circlip Ø5
E-Ring Ø5
E-ring Ø5
Circlip Ø5
E-Ring Ø5
E-ring Ø5
Circlip Ø5
32561
32565
32425
32446
32430
32434
32437
32435
32432
32452
11923
11922
32443
32436
32424
32459
32458
32408
32468
32409
32409
32463
32499
32481
32568
32448
Schneidschaube 4.2x16mm
Self-tp. screw 4.2x16mm
Vis traudeuse 4.2x16mm
Tornillo 4.2x16mm
Madenschraube M5x5
Grub screw M5x5
Vis sans tête M5x5
Tornillo prisionero M5x5
Innens.senkschraube M5x30
Inner hex. p.h. screw M5x30
Visnoyée hex. int.r M5x30
Tornillo cabeza avellanada M5x30
Madenschraube M5x30
Grub screw M5x30
Vis sans tête M5x10
Tornillo prisionero M5x10
Gelenkkugel B Ø10
Ball end B Ø10
Baque de fixation B
Bola de rótula B Ø10
Innens.senkschraube M5x27
Inner hex. p.h. screw M5x27
Visnoyée hex. int.r M5x27
Tornillo M5x27cabeza avellanada
Dämpferachse
Damper shaft
Axe d'amortisseuer
Eje de amortiguador
Innens.senkschraube M4x16
Inner hex. p.h. screw M4x16
Visnoyée hex. int.r M4x16
Tornillo cabeza avellanada M4x16
Senkschraube M4x8
Countersunk screw M4x8
Vis noyée M4x8
Tornillo cabeza avellanada M4x8
Senkschraube M4x8
Countersunk screw M4x8
Vis noyée M4x8
Tornillo cabeza avellanada M4x8
M4 Sicherungsmutter
M4 nylon lock nut
M4 écrou de blocage
Tuerca autofrenante M4
M5 Sicherungsmutter
M5 nylon lock nut
M5 écrou de blocage
Tuerca autofrenante M5
Schneidschaube 4.2x16mm
Self-tp. screw 4.2x16mm
Vis traudeuse 4.2x16mm
Tornillo 4.2x16mm
Schneidschaube 4.2x23mm
Self-tp. screw 4.2x23mm
Vis traudeuse 4.2x23mm
Tornillo 4.2x23mm
Kugellager Ø8x22x7
Ball bearing Ø8x22x7
Roulement à billes Ø8x22x7
Rodamiento Ø8x22x7
Beilagscheibe 17x8.4x1.5
Washer 17x8.4x1.5
Rondelle 17x8.4x1.5
Arandela 17x8.4x1.5
M4 Sicherungsmutter
M4 nylon lock nut
M4 écrou de blocage
Tuerca autofrenante M4
Schneidschaube 4.2x16mm
Self-tp. screw 4.2x16mm
Vis traudeuse 4.2x16mm
Tornillo 4.2x16mm
Schneidschaube 4.2x23mm
Self-tp. screw 4.2x23mm
Vis traudeuse 4.2x23mm
Tornillo 4.2x23mm
Madenschraube M5x30
Grub screw M5x30
Vis sans tête M5x10
Tornillo prisionero M5x10
Innens.senkschraube M5x27
Inner hex. p.h. screw M5x27
Visnoyée hex. int.r M5x27
M5x27Tornillo allen cabeza avellanada
M5 Sicherungsmutter
M5 nylon lock nut
M5 écrou de blocage
Tuerca autofrenante M5
Dämpferachse
Damper shaft
Axe d'amortisseuer
Eje de amortiguador
Innens.senkschraube M5x30
Inner hex. p.h. screw M5x30
Visnoyée hex. int.r M5x30
Tornillo 5x30cabeza avellanada M
Gelenkkugel B Ø10
Ball end B Ø10
Baque de fixation B
Bola de rótula B Ø10
Senkschraube M4x8
Countersunk screw M4x8
Vis noyée M4x8
Tornillo cabeza avellanada M4x8
Senkschraube M4x16
Countersunk screw M4x16
Vis noyée M4x16
Tornillo cabeza avellanada M4x16
Beilagscheibe 12x6,5x1.5
Washer 12x6,5x1.5
Rondelle 12x6,5x1.5
12x6,5x1.5Arandela
Beilagscheibe 12x6,5x1.5
Washer 12x6,5x1.5
Rondelle 12x6,5x1.5
12x6,5x1.5Arandela
M6 Sicherungsmutter
M6 nylon lock nut
M6 écrou de blocage
Tuerca autofrenante M6
M6 Sicherungsmutter
M6 nylon lock nut
M6 écrou de blocage
Tuerca autofrenante M6
Verwendete Teile
Parts used
Pièces utilisées
Partes usadas
Senkschraube M4x25
Countersunk screw M4x25
Vis noyée M4x25
M4x25Tornillo cabeza avellanada
305143
17

Related product manuals