EasyManua.ls Logo

Carson Comanche 2WD - Page 19

Carson Comanche 2WD
25 pages
Print Icon
To Next Page IconTo Next Page
To Next Page IconTo Next Page
To Previous Page IconTo Previous Page
To Previous Page IconTo Previous Page
Loading...
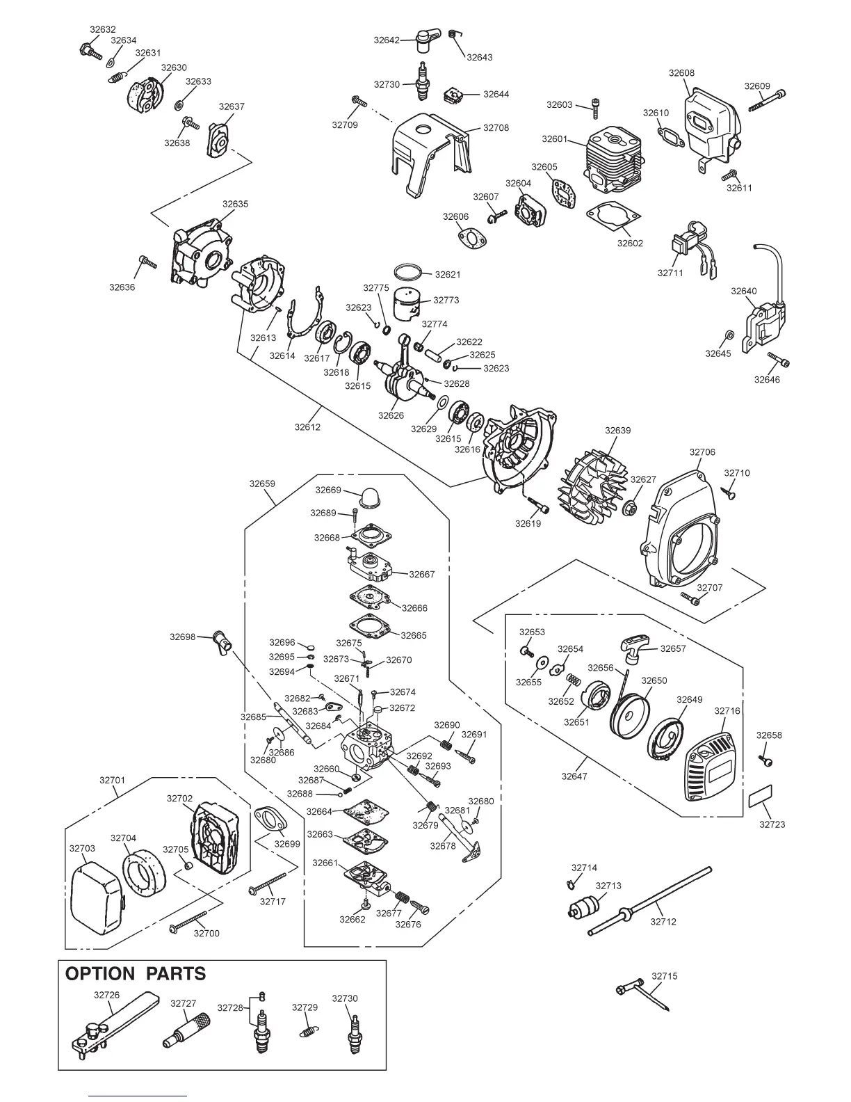
ErsatzteilübersichtMotor
Generalviewsparepartsmotor
Vued'ensemblepièces
détachéesmoteur
18

Related product manuals