EasyManua.ls Logo

Carson Comanche 2WD - Page 8

Carson Comanche 2WD
25 pages
Print Icon
To Next Page IconTo Next Page
To Next Page IconTo Next Page
To Previous Page IconTo Previous Page
To Previous Page IconTo Previous Page
Loading...
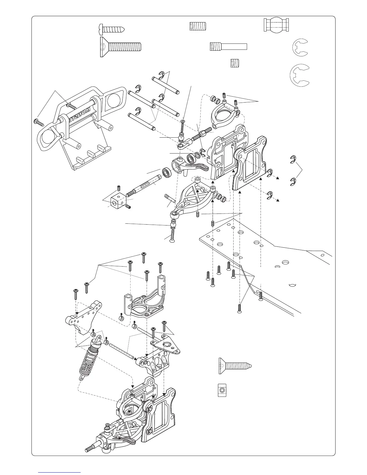
Vorderachse
Frontaxle
Essieuavant
7
Schneidschaube4.2x16mm
Self-tp.screw4.2x16mm
Vistraudeuse4.2x16mm
Schneidsenkschaube4.2x16mm
Plainheadself-tp.screw4.2x16mm
Visnoyéetraudeuse4.2x16mm
StellringØ4x8x5
SetcollarØ4x8x5
Baqued`arrêtØ4x8x5
VerwendeteTeile
Partsused
Piècesutilisées
E-RingØ5
E-ringØ5
CirclipØ5
E-RingØ7
E-ringØ7
CirclipØ7
MadenschraubeM5x10
GrubscrewM5x10
VissanstêteM5x10
MadenschraubeM5x4
GrubscrewM5x4
VissanstêteM5x4
Dämpferachse
Dampershaft
Axed'amortisseuer
Innens.senkschraubeM5x25
Innerhex.p.h.screwM5x25
Visnoyéehex.int.rM5x25
GelenkkugelBØ10
BallendBØ10
BaquedefixationB
Innens.senkschraubeM5x25
Innerhex.p.h.screwM5x25
Visnoyéehex.int.rM5x25
32434
32478
32442
32561
32444
32446
32425
32570
32437
32436
Schneidschaube4.2x16mm
Self-tp.screw4.2x16mm
Vistraudeuse4.2x16mm
Schneidschaube4.2x16mm
Self-tp.screw4.2x16mm
Vistraudeuse4.2x16mm
StellringØ4x8x5
SetcollarØ4x8x5
Baqued`arrêtØ4x8x5
32423
32478
E-RingØ5
E-ringØ5
CirclipØ5
E-RingØ5
E-ringØ5
CirclipØ5
MadenschraubeM5x10
GrubscrewM5x10
VissanstêteM5x10
MadenschraubeM5x10
GrubscrewM5x10
VissanstêteM5x10
MadenschraubeM5x4
GrubscrewM5x4
VissanstêteM5x4
KugellagerØ8x22x7
BallbearingØ8x22x7
roulementàbillesØ8x22x7
Beilagscheibe17x8.4x1.5
Washer17x8.4x1.5
Rondelle17x8.4x1.5
Dämpferachse
Dampershaft
Axed'amortisseuer
Innens.senkschraubeM5x25
Innerhex.p.h.screwM5x25
Visnoyéehex.int.rM5x25
Innens.senkschraubeM5x25
Innerhex.p.h.screwM5x25
Visnoyéehex.int.rM5x25
GelenkkugelB
BallendBØ10
BaquedefixationB
Gelenkkugel
BallendBØ10
Baquedefixation
E-RingØ7
E-ringØ7
CirclipØ7
32498
32463
32409
305039
Schneidsenkschaube4.2x16mm
Plainheadself-tp.screw4.2x16mm
Visnoyéetraudeuse4.2x16mm
Schneidschaube4.2x16mm
Self-tp.screw4.2x16mm
Vistraudeuse4.2x16mm
305025
305013
305004

Related product manuals