EasyManua.ls Logo

Carter CT06 - Page 14

Default Icon
44 pages
Print Icon
To Next Page IconTo Next Page
To Next Page IconTo Next Page
To Previous Page IconTo Previous Page
To Previous Page IconTo Previous Page
Loading...
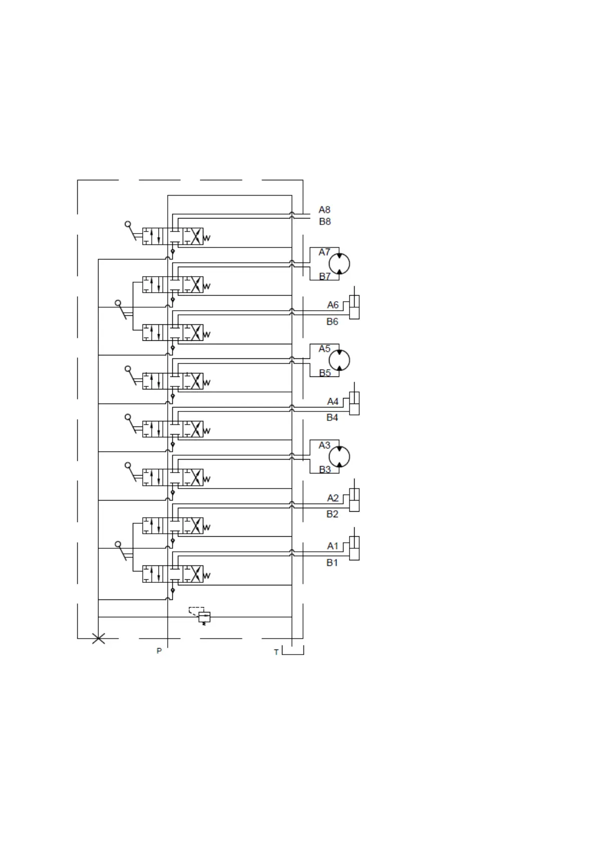
Section V Schematics of main valve
Reserved
rotating
Arm
Traveling
Front shovel
Traveling
Boom
Bucket
14

Related product manuals