EasyManua.ls Logo

Carver CT-17 - Page 2

Default Icon
22 pages
Print Icon
To Next Page IconTo Next Page
To Next Page IconTo Next Page
To Previous Page IconTo Previous Page
To Previous Page IconTo Previous Page
Loading...
~~
Det
Fey
ete
BB
nee
oSGtAR
We
Ra
RRA
2
WE
KEKAAK
SS
oo
wel
ete
eae
EY
ea
te
USD
bt
cer
at
MK
4
F
x
}
|
3
3
4
Us
aD
AVE
PHONO
©
AUX
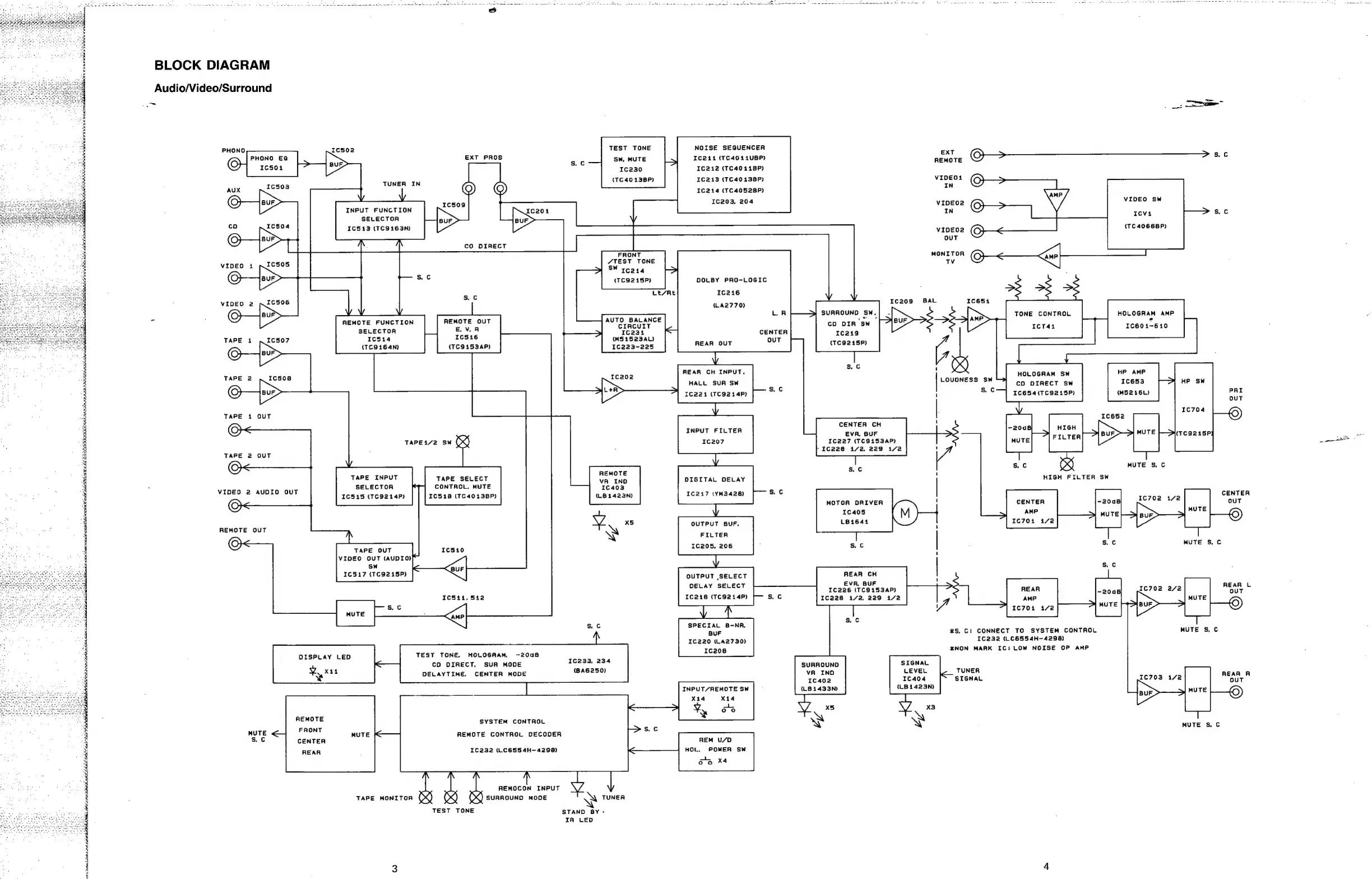
BLOCK
DIAGRAM
Audio/Video/Surround
Icso2
PHONO
E@
Icso1
10503
TUNER
IN
W/
SELECTOR
1CS1i3
(TC9163N)
n
Oo uo
°o
a
W
1
.1cso5
W/;
2
nIcs06
VW
SELECTOR
1cs14
(TC9164N)
4
Ic507
VW
2
Ics08
W/
1
OUT
2
ouT
TAPE
INPUT
SELECTOR
2
auDIO
OUT
Tc515
(TC9214P)
REMOTE
OUT
©)
TAPE
OUT
VIDEO
OUT
(AUDIO)
Sw
1¢517
(Tc9215P)
MUTE
OISPLAY
LED
Wa
xt
REMOTE
MUTE
FRONT
s.
¢
CENTEA
REAR
INPUT
FUNCTION
REMOTE
FUNCTION
EXT
PROS
REMOTE
OUT
E,
Vv.
A
Tcs16
(TC9153A4P)
tapesv2
sw
(X)
TAPE
SELECT
CONTROL.
MUTE
10518
(TC4013BP)
1c510
<t
1cs11,
542
TEST
TONE,
HOLOGRAM.
cO
OIRECT.
DELAYTIME.
SUR
MODE
SYSTEM
CONTAOL
AEMOTE
CONTROL
DECODER
IC232
(_C6554H-
4298)
b
b b
REMOCON
INPUT
TAPE
MONITOR
(X)
OQ
(QQ
SURROUND
MODE
TEST TONE
-200B8
CENTER
MODE
TEST
TONE
Sw,
MUTE
Ic230
NOISE
SEQUENCER
I1C214
(TC4044U8P)
Ic212
(TC4011BP)
10213
(TC4043BP)
Ic214
(TC
40526P)
Ic203,
204
(TC
4013BP)
FRONT
ZTEST
TONE
SW
rc214
(TC9245P)
DOLBY
PRO-LOGIC
Tc2416
(LA2770)
L.A
SURROUND
SW.
CD
DIR
SW
1¢219
(TC9245P)
AUTO
BALANCE
CIACUIT
Ic23a1
(MS
4523AL)
Ic223~225
CENTER
OUT
REAR
OUT
REAR
CH
INPUT,
HALL
SUA
SW
IC221
(TC9214P)
CENTEA
CH
INPUT
FILTER
EVA.
BUF
Ic207
IC227
(TC9153AP)
F
IC228
1/2,
229
1/72
REMOTE
a
VA
IND
OIGITAL
OELAY
1c403
(LB1423N)
10217
(YM3428)
s.¢
MOTOR
DAIVER
1c405
OUTPUT
BUF.
LB1644
FILTER
Ic205.
206
:
S.C
OUTPUT
SELECT
REAR
CH
DELAY
SELECT
EVAR,
BUF
IC226
(TC9153AP)
Ic216
(Tc9214P)
Ss.
c
C228
1/2,
229
1/2
sc
sc
SPECIAL
B-NR,
BUF
Ic220
(LA2730)
rc208
1¢233,
234
SURROUND
(BA6250)
VR
INO
Ic402
INPUT/REMOTE
SW
(LB
1433N)
x14
x14
¥
aie
>
oo
s.
¢
REM
U/DO
HOL,
POWER
SW
oe
oo
*4
TUNEA
STAND
BY:
IR
LED
SIGNAL
LEVEL
Ic404
EXT
REMOTE
VIDEO1
IN
VIDEO2
IN
VIDEO2
OUT
MONITOR
TV
TONE
CONTROL
Ict4ai
HOLOGRAM
SW
CO
DIAECT
SW
IC654(TC9215P)
HIGH
FILTER
»)
LS
LOUONESS
Sw
Ss,
c
CENTER
AMP
Ic701
1/2
REAR
AMP
Ic701
1/72
NX
*S,
C:
CONNECT
TO
SYSTEM
CONTROL
IC232
(LC6554H-4298)
*NON
MARK
IC;
LOW
NOISE
OP
AMP
TUNER
STGNAL
(LB1423N)
HIGH
FILTER
SW
VIDEO
SW
Icvi
(TC
4066BP)
HOLOGRAM
AMP
°
1C601~610
HP
AMP
Ic653
(MS52161)
MUTE
S,
C
1c702
172
Ic703
1/72
MUTE
S,
C
MUTE
S,
C
CENTER
out

Related product manuals