EasyManua.ls Logo

Case IH JX90 - Page 14

Case IH JX90
14 pages
Print Icon
To Previous Page IconTo Previous Page
To Previous Page IconTo Previous Page
Loading...
15
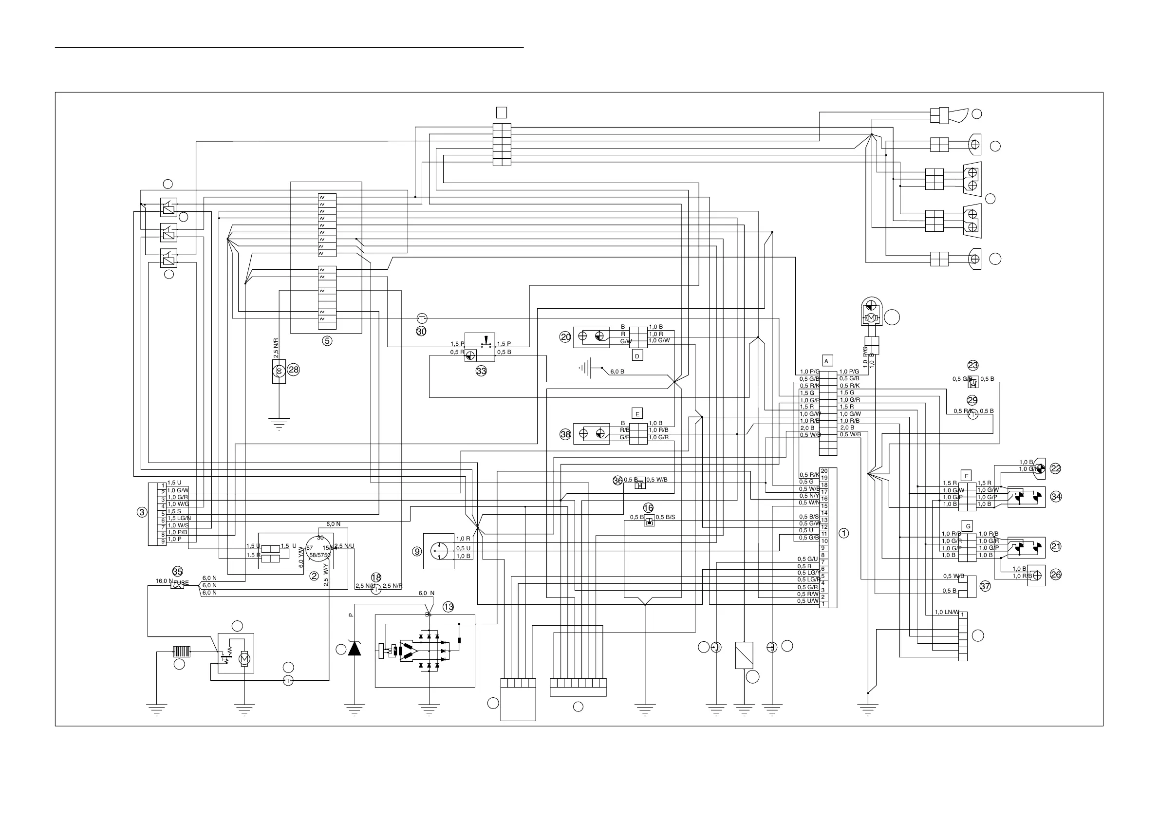
SECTION 55 – ELECTRICAL SYSTEM – CHAPTER 6
603.54.331.00 – 12 – 1996
GENERAL DIAGRAM –CENTRE(WITHOUT CAB)
0,5 W/B
1,5 B
10,0 B
0,5 G/B
2,0 B
0,5 R
1,5 P
0,5 B
0,5 G/W
0,5 U
0,5 B/S
0,5 R/W
0,5 U/W
0,5 G/R
0,5 W/N
0,5 R/K
0,5 N/Y
0,5 G
0,5 B
0,5 LG/Y
0,5 G/U
0,5 G/B
0,5 LG/R
0,5 R/K
1,5 R
1,0 P/G
1,0 G/R
0,5 W/B
1,0 R/B
1,5 G
1,0 G/W
30
86
85
87
87
85
86
30
87
85
86
30
15A
15A
15A
15A
20A
10A
10A
15A
20A
10A
10A
7.5A
7.5A
15A
FUSE
57
30
15/54
5058/57
16.0 N
B+
6,0 N
D+
3,0 N/P
3.0 B
6,0 Y/W
1.5 R
1,5 U 1,5 U
2,5 W/Y
2,5 N/U
2,0 B
2,0 U/R
6,0 B
0,5 B
0,5 W/B
0,5 G/B 0,5 B
1,5 R
0,5 B0,5 R/K
1,0 B
1,0 P/G
1,5 B
1,0 LN/W
1,0 R/B
1,0 LN/R
1,0 G/P
1,0 R
1
2
3
4
5
6
7
1,5 B
1,0 B
1,5 R
1,0 G/W
1,0 G/P
1,0 B
1,0 G/P
1,0 G/R
1,0 B
1,0 G/N
1,0 B
1,0 P/N
1,0 B
20
19
18
17
16
15
14
13
12
11
10
9
8
7
6
5
4
3
2
1
1,0 R/B
1,0 G/W
1,0 G/P
1,0 B
1,0 B
24
23
29
37
25
26
21
34
22
C
A
G
F
1
2
3
4
5
6
7
8
9
1,5 P
1,5 P
1,5 P
1,0 B
1,5 P
57
57
0,5 G/B
2,0 B
0,5 R/K
1,5 R
1,0 P/G
1,0 G/R
0,5 W/B
1,0 R/B
1,5 G
1,0 G/W
1,0 B
1,0 G/P
1,0 G/R
1,0 R/B
8
7
6
30
33
2,5 N/R
G/W
R
B
G/R
R/B
B
35
3
28
5
11
12
31
14
2
18
13
20
38
36
16
4
10
17
27
15
1
19
32
D
E
1,5 P/Y
1,5 G/O
1,5 G
1.5 O
1,5 LG/N
0,5 LG/R
0,5 LG/Y
1,0 B
1,5 Y/W
1,5 P1,5 N
3,0 P/W
1,5 P/Y
1.5 G
1,5 Y/W
1.5 Y/W
1,5 Y/W
1,0 P/W
1,0 B
1,0 P/N
1,0 W/S
1,0 W/G
1,0 B
1,0 P
1.5 P/W
1,5 U/W
1,5 U/R
1,5 U/R
1,5 U/W
1,5 B
1,0 P/N
2,5 W/Y2,5 W/R
0,5 B
1,0 R
1,0 R/B
1,0 B
1,0 G/R
1,0 R
1,0 G/R
1,0 G/W
1,5 LG/N
1,5 S
1,0 P
1,0 P/B
1,0 W/G
1,0 W/S
1,5 U
1,5 P
0.5 R/B
1,0 G/W
1,5 LG/N
1,0 G/R
1,0 B
1,0 G
1.5 O
6,0 N
0,5 W/B
0,5 G/U
1,0 B
1,0 G/W
0,5 W/N
0,5 B/S
3,0 Y/W
16,0 N
0,5 N/Y
2,5 N/U
2,5 N/R
2,0 U/W
1,0 P/N
1,5 B
1,0 B
1,0 U/R
1,0 U/W
1,0 U/W
1,0 U/R
1,0 B
6,0 N
6,0 N
6,0 N
1,0 R
1,5 R
1,5 U/R
1,5 U/W
1,5 G/O
2,5 N/R
1,5 N
2,0 N
1,5 P
2,5 N/R
1,5 S
1,5 G/O
1,0 P/G
1,0 G
1,0 B
1.5 P/W
1,0 R/B
1,5 R/W
1,5 U/R
1,5 U/W
0,5 B
UPG JX ROPS 1
9
1,0 B
0,5 U
1,0 R
1,0 B
1,5 P
1,0 R/B
573

Related product manuals