EasyManua.ls Logo

Case IH PUMA 145 - Page 59

Case IH PUMA 145
61 pages
Print Icon
To Next Page IconTo Next Page
To Next Page IconTo Next Page
To Previous Page IconTo Previous Page
To Previous Page IconTo Previous Page
Loading...
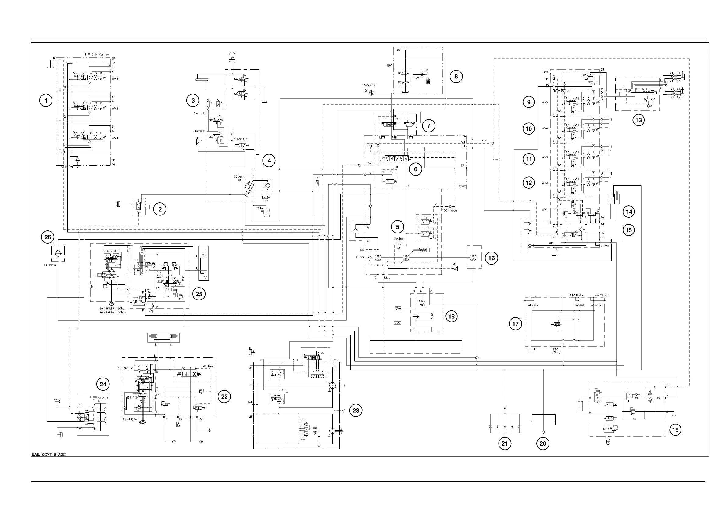
HYDRAULIC,PNEUMATIC,ELECTRICAL,ELECTRONICSYSTEMS-PRIMARYHYDRAULICPOWERSYSTEM
BAIL10CVT161ASC1
84479138A06/06/2011
A.10.A/31

Related product manuals