EasyManua.ls Logo

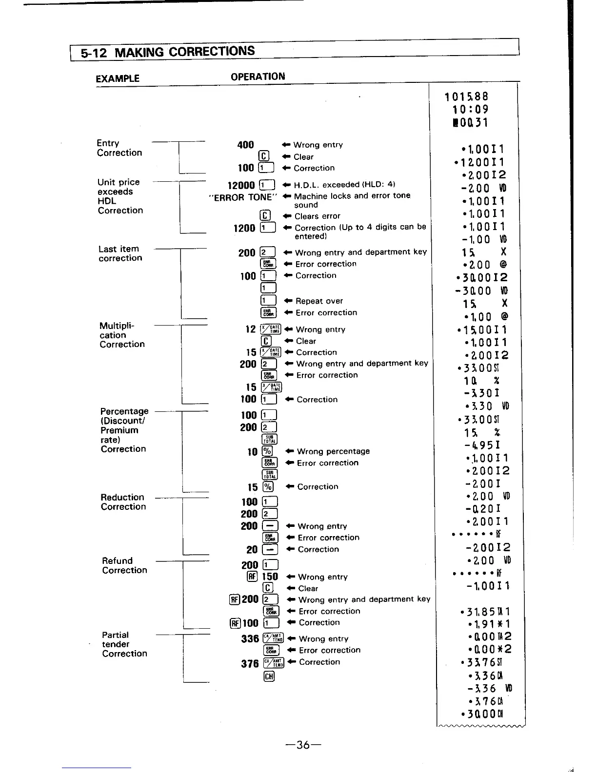
Casio CE-2108 - Making Corrections

Casio CE-2108
47 pages
Print Icon
To Next Page IconTo Next Page
To Next Page IconTo Next Page
To Previous Page IconTo Previous Page
To Previous Page IconTo Previous Page
Loading...

Table of Contents

Related product manuals