EasyManua.ls Logo

Casio CSF-5350 - Schematic Diagrams

Casio CSF-5350
25 pages
Print Icon
To Next Page IconTo Next Page
To Next Page IconTo Next Page
To Previous Page IconTo Previous Page
To Previous Page IconTo Previous Page
Loading...
— 15 —
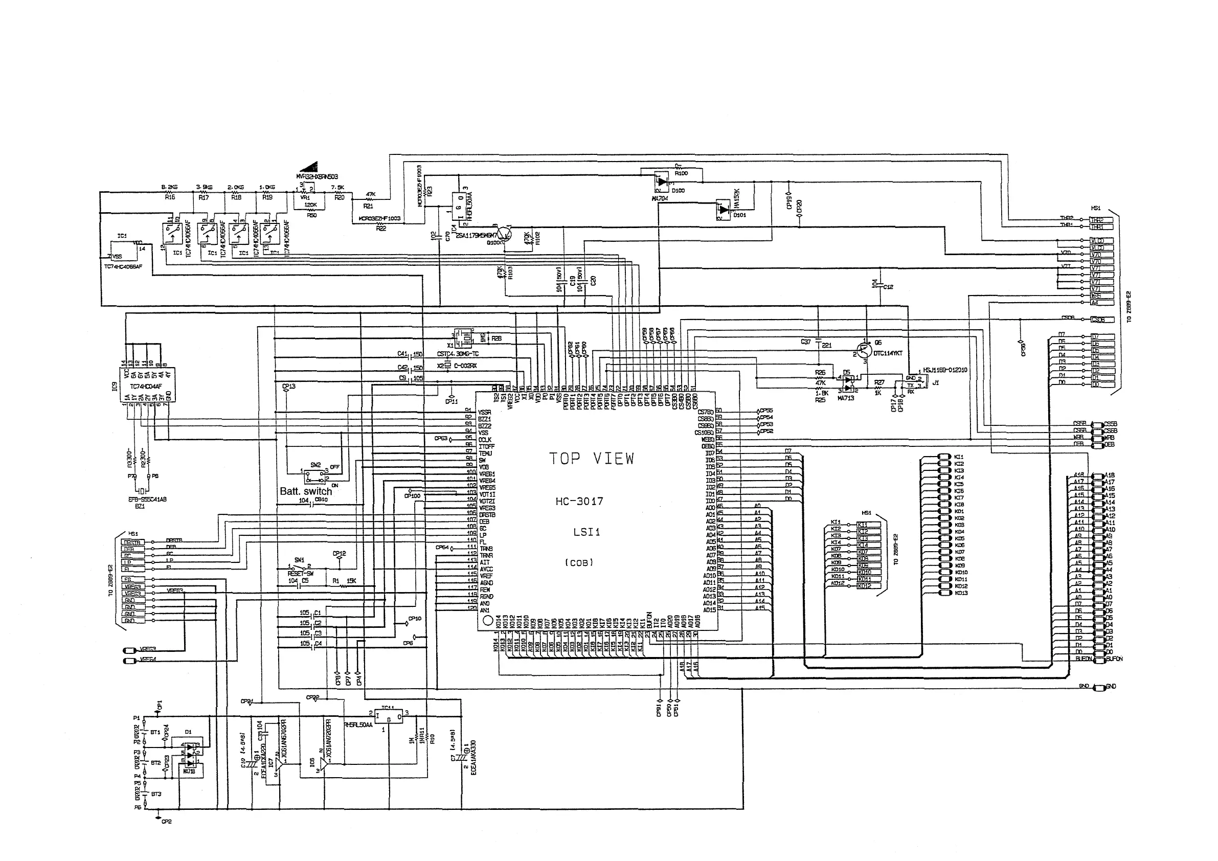
SCHEMATIC DIAGRAMS
Main Block
NOTE: D100 and D101 are not mounted.