EasyManua.ls Logo

Casio CTK-711EX - Auto Accompaniment; Auto Accompaniment Overview; Selecting a Rhythm

Casio CTK-711EX
37 pages
To Next Page IconTo Next Page
To Next Page IconTo Next Page
To Previous Page IconTo Previous Page
To Previous Page IconTo Previous Page
Loading...
— 10 —
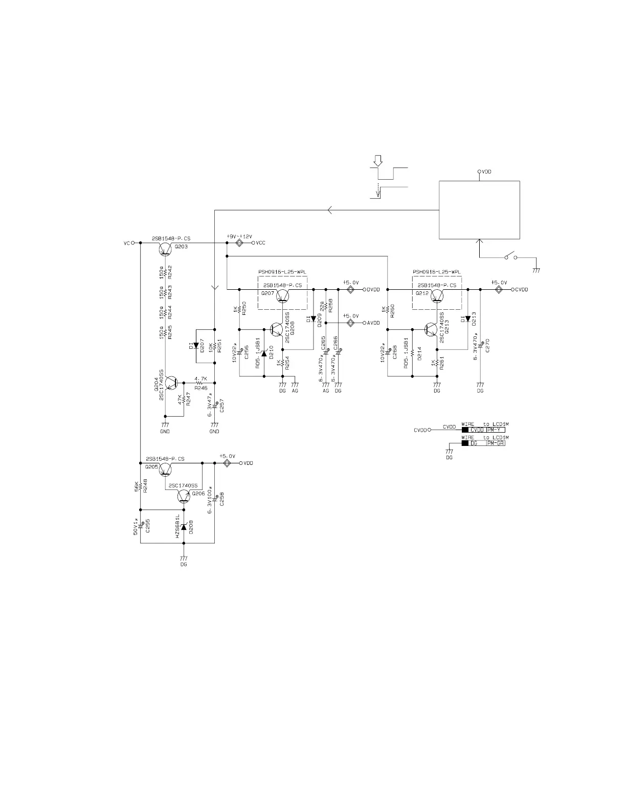
POWER SUPPLY CIRCUIT
The power supply circuit provides various voltages as shown below.
The voltage VDD (+5 V) is provided as long as batteries or AC adaptor is set.
Other voltages are controlled by APO (Auto Power Off) signal from CPU.
CPU
HD6473042F16-463
LSI9
PA 7
NMI
PW/SW
APO
NMI
PW/ON
APO
Power Supply
+9V ~ +12V
From
Batteries or
AC Adaptor

Other manuals for Casio CTK-711EX

Related product manuals