EasyManua.ls Logo

Casio EV-500C - Page 28

Casio EV-500C
31 pages
Print Icon
To Next Page IconTo Next Page
To Next Page IconTo Next Page
To Previous Page IconTo Previous Page
To Previous Page IconTo Previous Page
Loading...
— 27 —
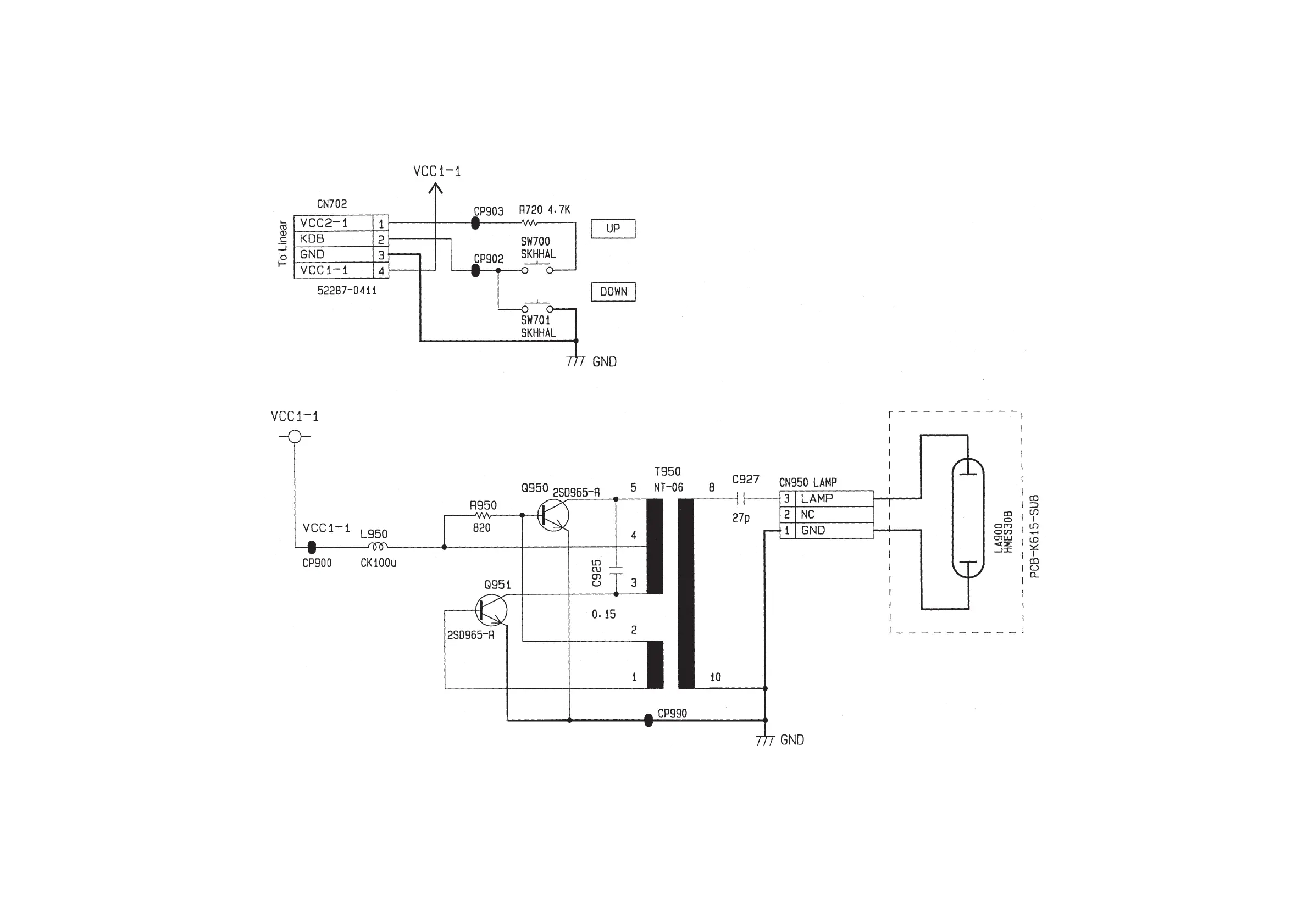
BL
Notes:
1. All resistance values are indicated in "ohms" (k=10
3
ohms, M=10
6
ohms).
2. All capacitance values are indicated in "µF" (p=10
-6
µF).
3. All inductance values are indicated in "µH."

Related product manuals