EasyManua.ls Logo

Casio NX-4000 - Page 19

Casio NX-4000
26 pages
Print Icon
To Next Page IconTo Next Page
To Next Page IconTo Next Page
To Previous Page IconTo Previous Page
To Previous Page IconTo Previous Page
Loading...
— 18 —
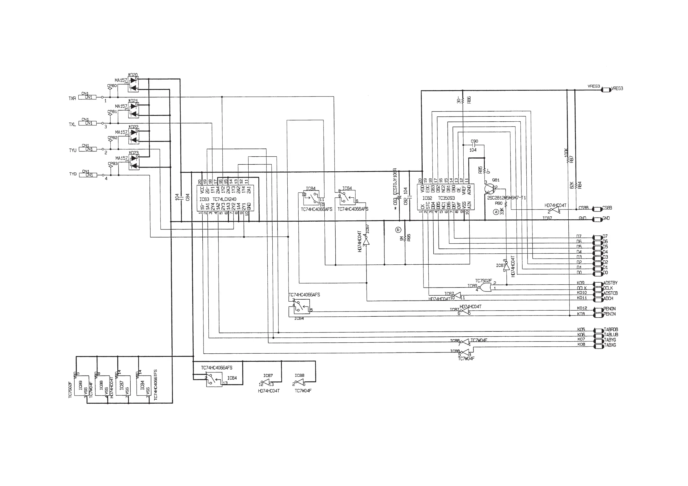
Z850-1 PCB ASS'Y (A/D BLOCK)

Related product manuals