EasyManua.ls Logo

Casio NX-4000 - Schematic Diagrams

Casio NX-4000
26 pages
Print Icon
To Next Page IconTo Next Page
To Next Page IconTo Next Page
To Previous Page IconTo Previous Page
To Previous Page IconTo Previous Page
Loading...
— 17 —
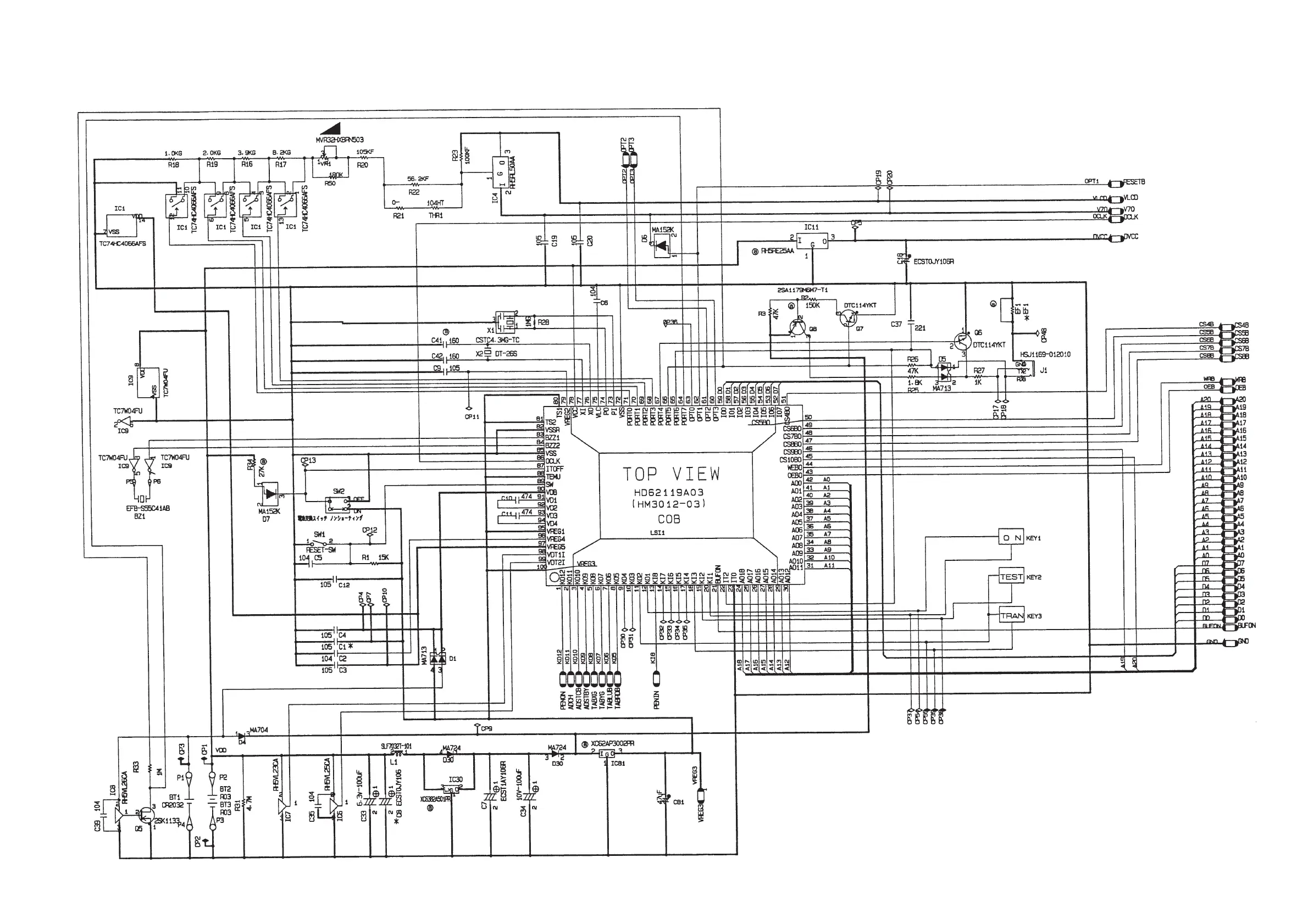
SCHEMATIC DIAGRAMS
Z850-1 PCB ASS'Y (MAIN BLOCK)

Related product manuals