EasyManua.ls Logo

Casio TE-8000F - Page 101

Casio TE-8000F
150 pages
Print Icon
To Next Page IconTo Next Page
To Next Page IconTo Next Page
To Previous Page IconTo Previous Page
To Previous Page IconTo Previous Page
Loading...
99
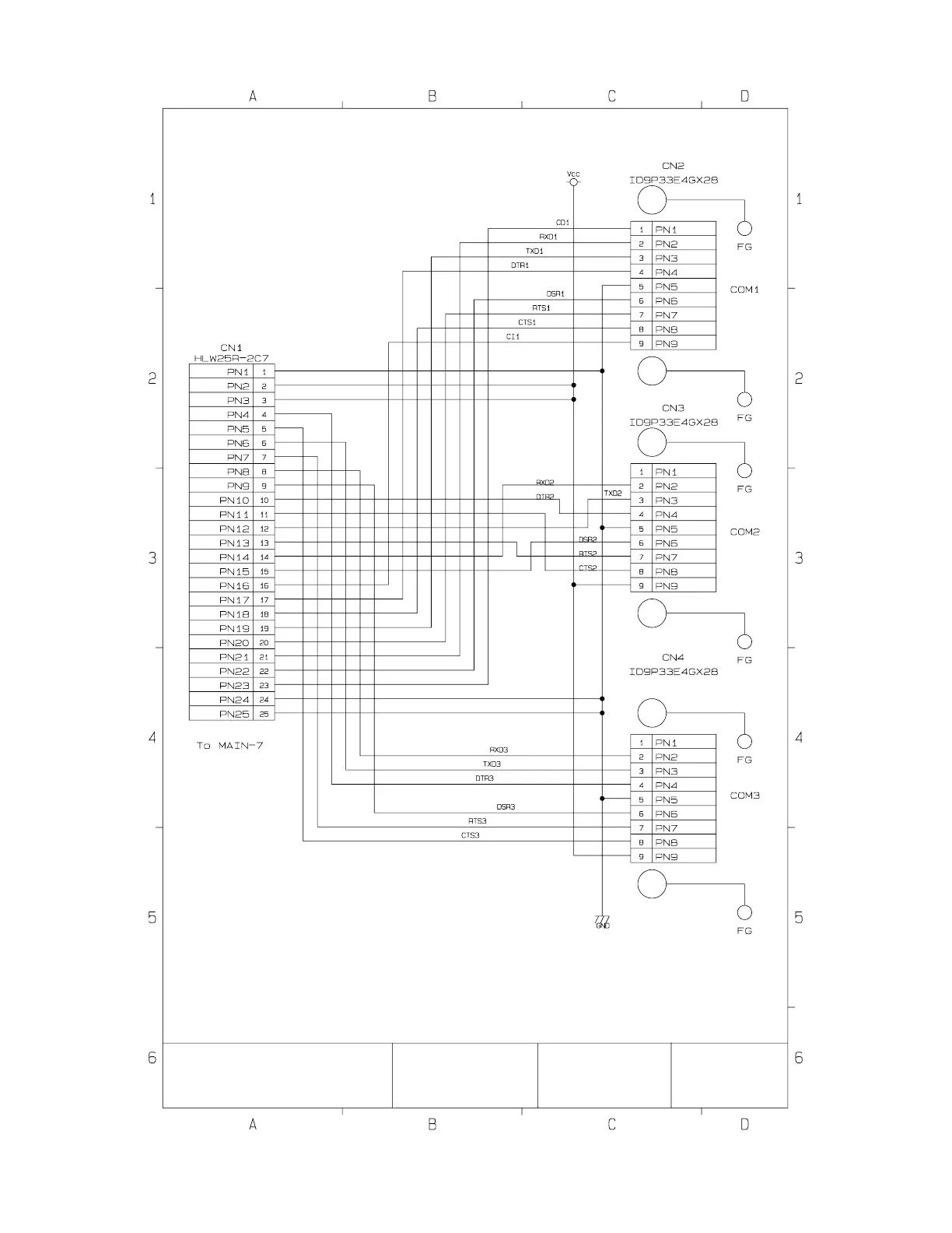
E468-CNB1
Model
CASIO COMPUTER CO .,LTD
Drawing No.
TE-7000S/8000F/8500F
(EX-468/568/569)
Board No.

Other manuals for Casio TE-8000F

Related product manuals