EasyManua.ls Logo

Casio TV-M430S - Page 20

Casio TV-M430S
21 pages
Print Icon
To Next Page IconTo Next Page
To Next Page IconTo Next Page
To Previous Page IconTo Previous Page
To Previous Page IconTo Previous Page
Loading...
18
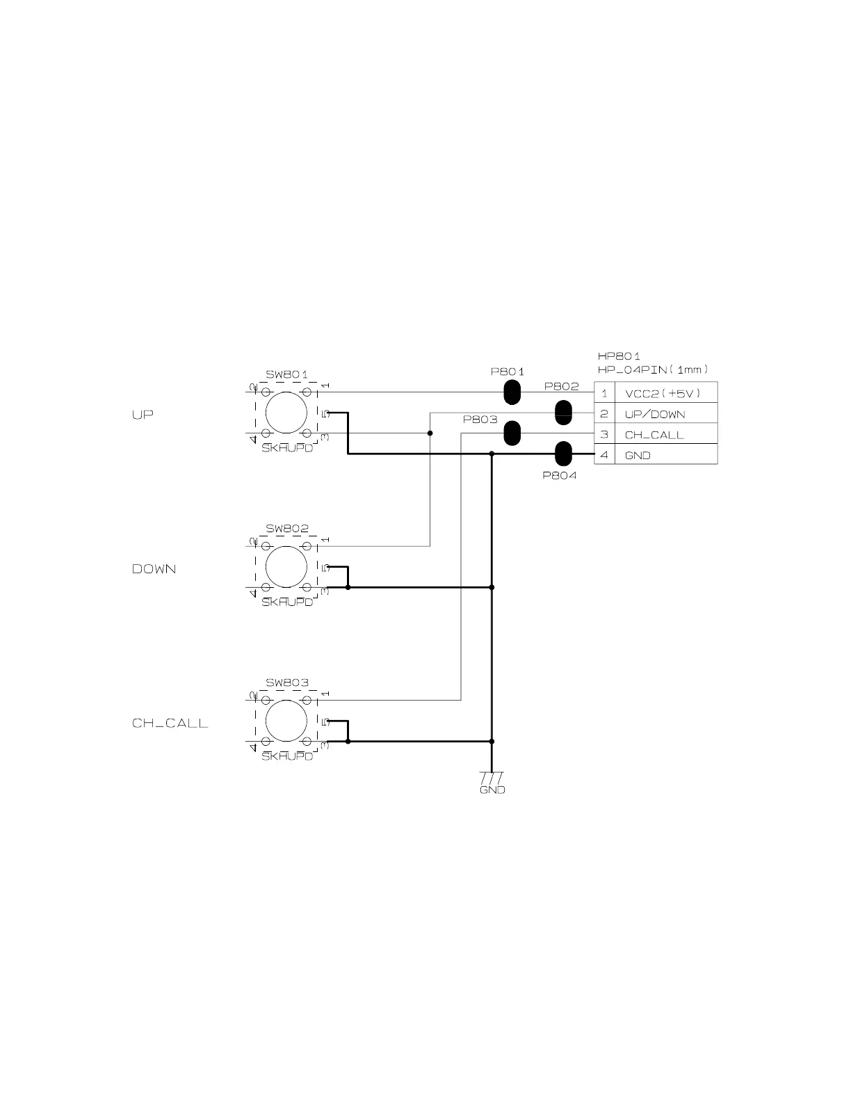
KEY

Related product manuals