EasyManua.ls Logo

Casio TV-M430S - Schematic Diagrams

Casio TV-M430S
21 pages
Print Icon
To Next Page IconTo Next Page
To Next Page IconTo Next Page
To Previous Page IconTo Previous Page
To Previous Page IconTo Previous Page
Loading...
— 17 —
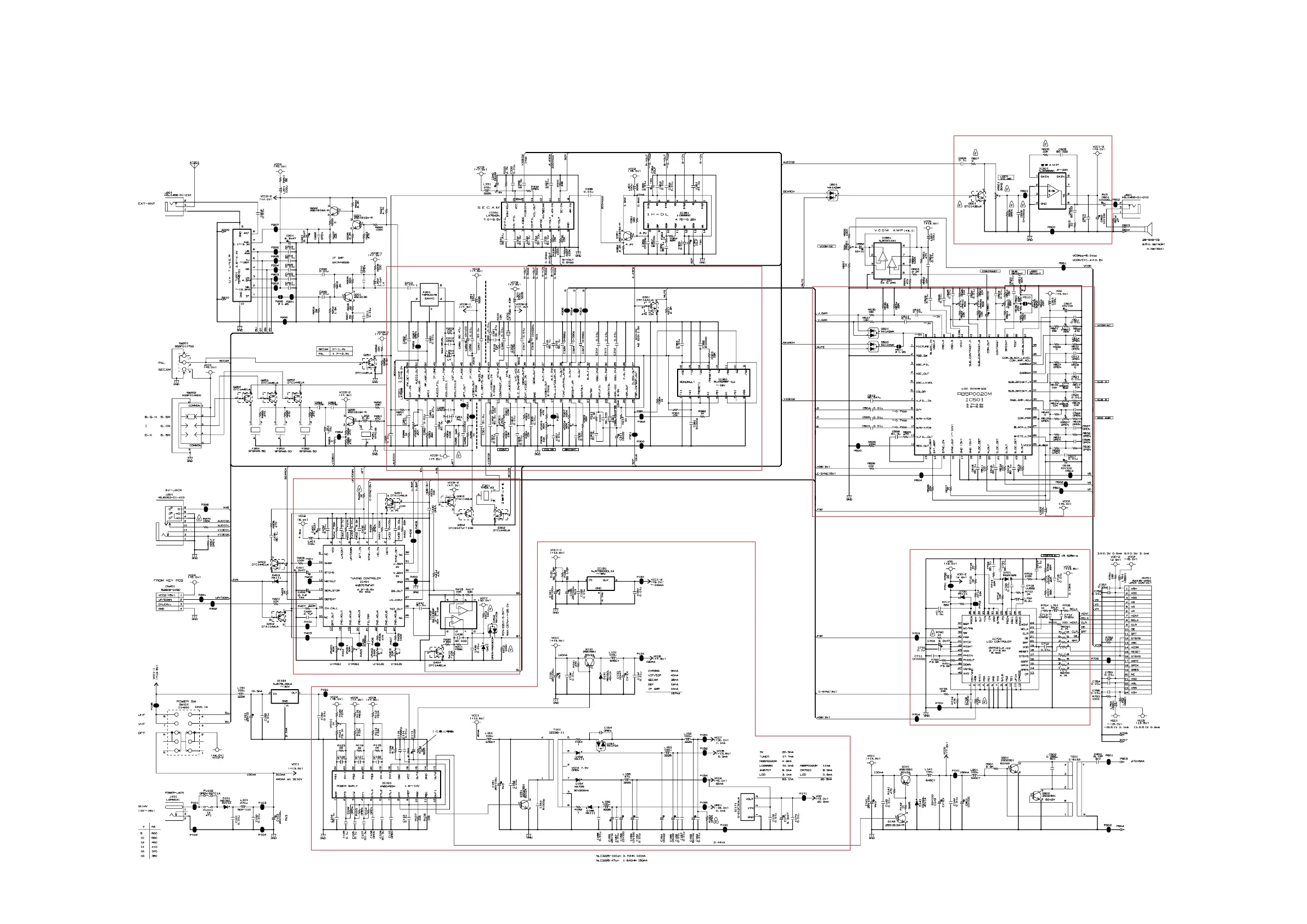
SCHEMATIC DIAGRAMS
LINEAR
External
Antenna
Jack
Tuner
AV Jack
Power Switch
Power Jack
Power Supply Circuit
Tuning Controller
VDD (+3.0V)
VCC2 (+5.0V)
VCC5 (+13.5V)
VCC7 (+30.0V)
VCC8 (+7.8V)
VCC1-2 (+9.0V)
LCD Controller
LCD Interfave
VCOM AMP
Audio Amplifer Circuit
Speaker
VCC1-1 (+13.5V)