EasyManua.ls Logo

CAT C32 - 5.3.1. Container Dimensions & Weight; 5.3.2. Container Views:

CAT C32
46 pages
Print Icon
To Next Page IconTo Next Page
To Next Page IconTo Next Page
To Previous Page IconTo Previous Page
To Previous Page IconTo Previous Page
Loading...
Technical CATERPILLAR – 1000 kVA Page
29
Description UTILITY POWER MODULE
Revision 1.0 1 May 2006
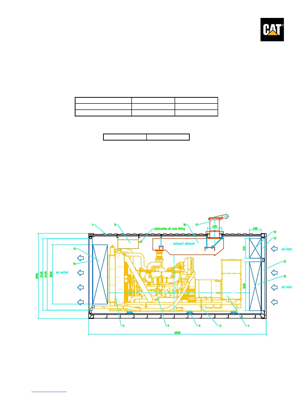
5.3. Drawings, Dimensions & Weight
5.3.1. Container dimensions & weight
CONTAINER SHIPPING DIMMENSIONS
Length 6 058.0 mm 20.0 ft
Width 2 476.5 mm 97.5 in
Hei
g
ht 2 896.3 mm 114.1 in
CONTAINER WEIGHT (WET):
15 240 K
g
33 640 lb
5.3.2. Container views:
CONTAINER VIEWS:
Left Side View
(Left side wall removed to show interior components)

Related product manuals