EasyManua.ls Logo

Cecilware GB1CP - Page 12

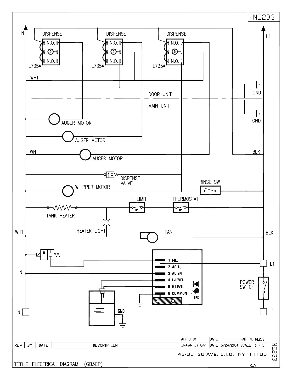
Cecilware GB1CP
12 pages
Print Icon
To Previous Page IconTo Previous Page
To Previous Page IconTo Previous Page
Loading...
CECILWARE CORPORATION
RED
BLK
WATER INLET
VALVE
WHT
BLU
YEL
GRN
WATER LEVEL
PROBES
LIQUID LEVEL CONTROL
WATER

Related product manuals