EasyManua.ls Logo

cecotec BELLECOUTURE 21500 - Cleaning and Maintenance

cecotec BELLECOUTURE 21500
Print Icon
To Next Page IconTo Next Page
To Next Page IconTo Next Page
To Previous Page IconTo Previous Page
To Previous Page IconTo Previous Page
Loading...
BELLECOUTURE 21500
76
ENGLISH
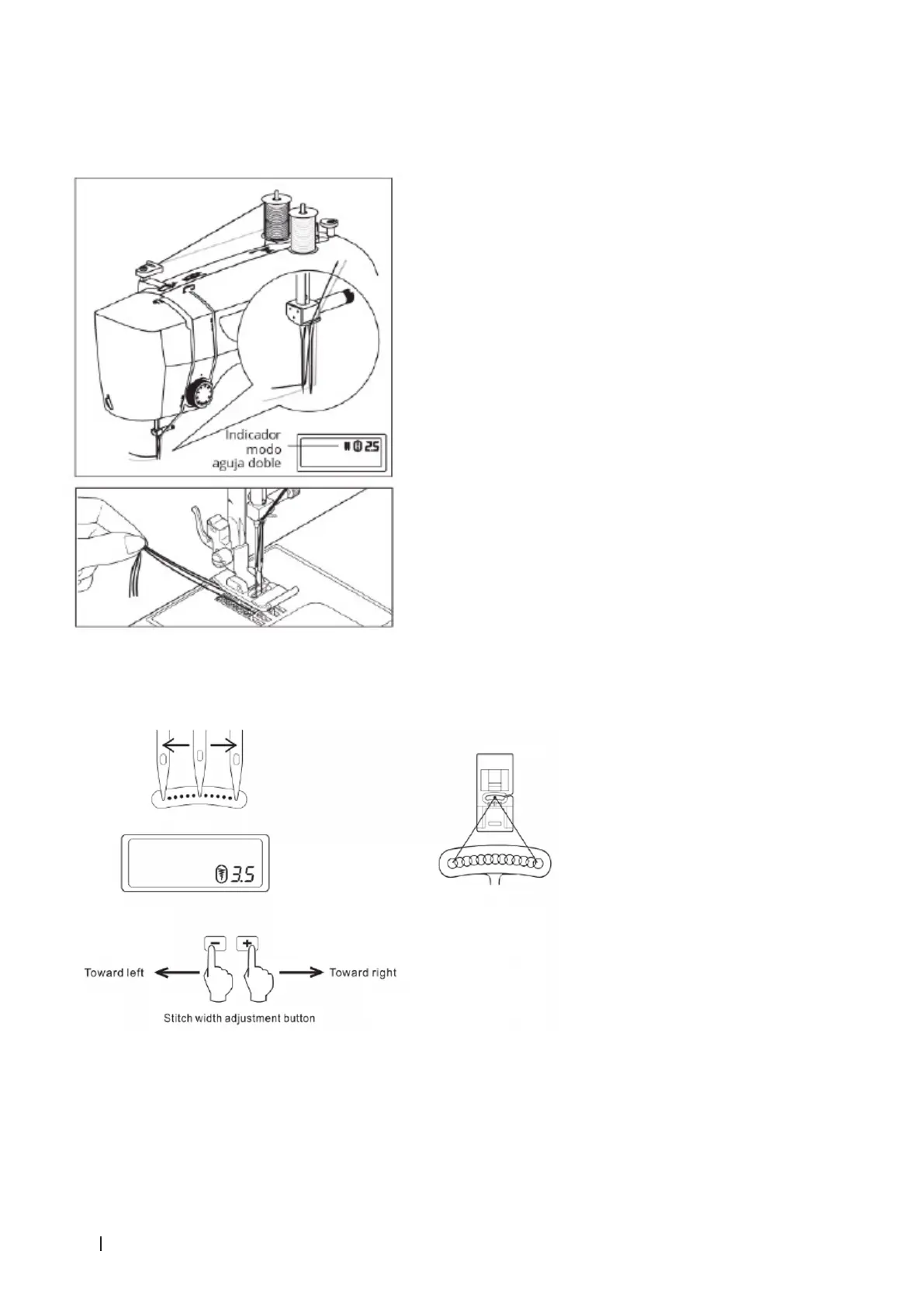
Threading the twin needle
1. 
front to back.
2. Pick up the bobbin thread as for single needle sewing. Pull the three threads together under the presser foot to the back of the machine,
leaving about 15 cm of thread.

Straight stitch needle position



Always disconnect the machine from the mains by unplugging the power cable.

1. Raise the needle to the highest position.
2. Remove the needle plate.

Table of Contents