EasyManua.ls Logo

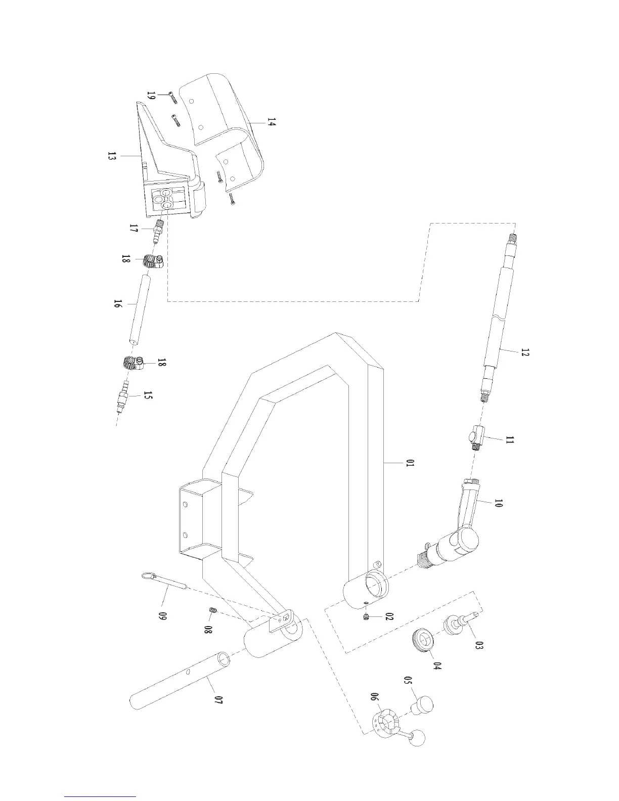
Central Pneumatic 94847 - Assembly Drawing

Default Icon
9 pages
Print Icon
To Next Page IconTo Next Page
To Next Page IconTo Next Page
To Previous Page IconTo Previous Page
To Previous Page IconTo Previous Page
Loading...
Page 8
SKU 94847
For technical questions, please call 1-800-444-3353
Assembly Drawing