EasyManua.ls Logo

CESAB BT BLITZ 415 - Page 177

Default Icon
234 pages
Print Icon
To Next Page IconTo Next Page
To Next Page IconTo Next Page
To Previous Page IconTo Previous Page
To Previous Page IconTo Previous Page
Loading...
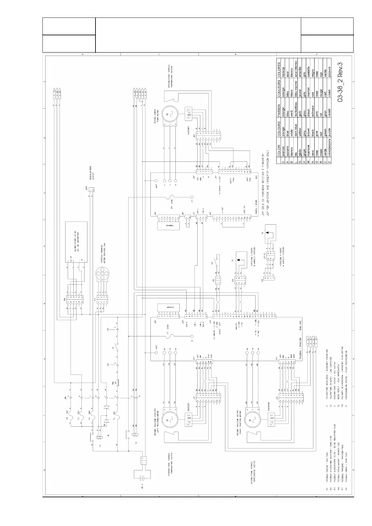
chapter 5000
page 125
1,2 - 2,0 t A.C.
SERVICE MANUAL
Electric
036-0410-07

Table of Contents

Related product manuals