EasyManua.ls Logo

Cetron JEC1758 - Page 41

Default Icon
Print Icon
To Next Page IconTo Next Page
To Next Page IconTo Next Page
To Previous Page IconTo Previous Page
To Previous Page IconTo Previous Page
Loading...
41
SUGERENCIAS
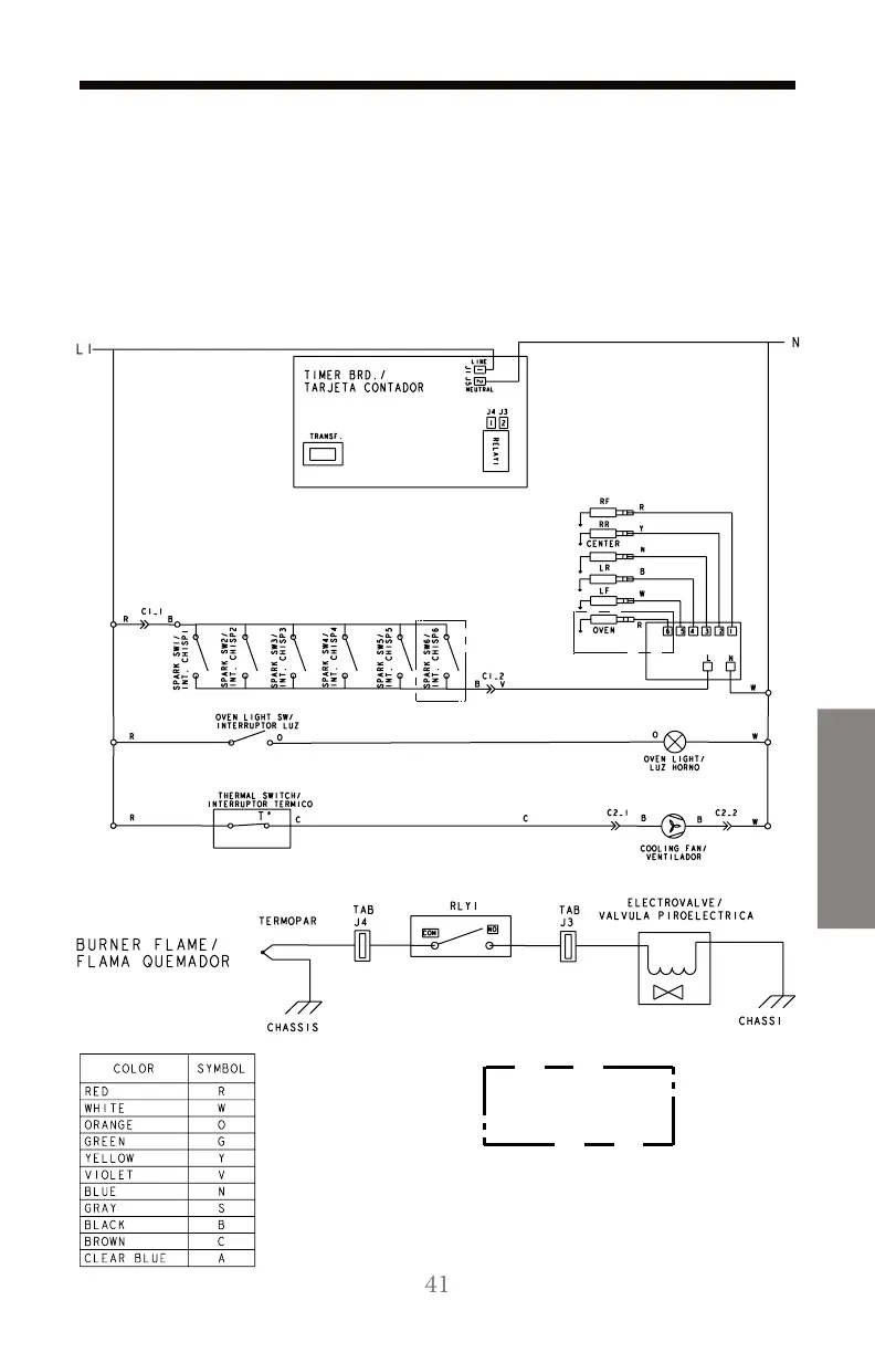
Diagrama 295D1610P001
(Ver cuadro de características por modelo, al final del manual.)
ADVERTENCIA: DESCONECTE DE LA ENERGÍA ELÉCTRICA ESTE
APARATO ANTES DE EFECTUARLE CUALQUIER TIPO DE SERVICIO.
WARNING: DISCONNECT THE POWER OF THIS APPLIANCE BEFORE
ANY TYPE OF SERVICE.
ALGUNOS MODELOS /
NOT IN ALL MODELS

Related product manuals