EasyManua.ls Logo

Cetron JEC1758 - Page 85

Default Icon
Print Icon
To Next Page IconTo Next Page
To Next Page IconTo Next Page
To Previous Page IconTo Previous Page
To Previous Page IconTo Previous Page
Loading...
85
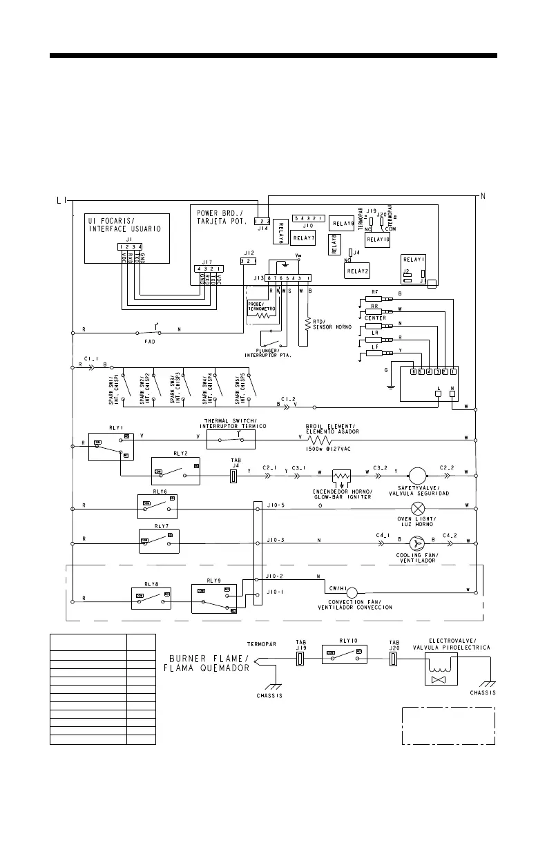
399B1280P001 Wiring Diagram
(See features by model chart, at the end of the manual.)
WARNING: DISCONNECT THIS APPLIANCE FROM POWER
SOURCE BEFORE PERFORMING ANY TYPE OF SERVICE.
RED/ROJO
WHITE/BLANCO
ORANGE/NARANJA
GREEN/VERDE
YELLOW/AMARILLO
VIOLET/VIOLETA
BLUE/AZUL
GRAY/GRIS
BLACK/NEGRO
BROWN/CAFÉ
CLEAR BLUE/AZUL CLARO
COLOR
SYMBOL/
SÍMBOLO
R
W
O
G
Y
V
N
S
B
C
A
ALGUNOS MODELOS/
NOT IN ALL MODELS

Related product manuals