EasyManua.ls Logo

Chamberlain 2000 Series - Page 13

Chamberlain 2000 Series
20 pages
Print Icon
To Next Page IconTo Next Page
To Next Page IconTo Next Page
To Previous Page IconTo Previous Page
To Previous Page IconTo Previous Page
Loading...
L1
T1
White
L1
L2
T2
Red
L2
L3
T3
Orange
L3
Red Red Orange
L2
Hot 3Ø
C
Red
L2
RedRed
P1-1
P1-4
Red
OT1
O
Red Red
O
L3
OT2
O
L1
L1
OT3
C
C
L3
Black
Orange
Yellow
Red
Orange
RedRed
T1
24 Vac
Internal
Interlock
12
5
External Interlock*
6
3
Jumper*
STOP
P2-13
Red
OLS
O
OPEN
1
SW1
Orange
SW1
P1-10
O
A1
A2
SW1
P2-6
C
>1 HP Only
Time
Capsule
>1 HP
S
P1-9
78
TI
78
TL
87
(Optional)
Grey
C
P2-10
CLS
S-2
P1-12P1-11
1
5
>1 HP Only
O
P2-7P1-7
P2-1
C
Blue
Blue
SLS
ADLS
BrownP2-14
8
Rollback Option
Sense to Reverse
7
SW2
9
10
Open/Timer
to Close
Open/Close
S-1
64
P2-12
TS
Grey
SW3
P1-14
SW2
P1-13
2
CLOSE
Close
Timer
11
5
TI- 2
Red
P1-8
Brown
46
TL-1
A1 A2
4
TIMER TO
CLOSE ONLY
P2-11
Orange
Orange
Blue
Blue
Hot 3Ø
Hot 3Ø
Three Phase
Overload Relay
(3/4 HP to 2 HP Only)
Blue
If 3Ø 1/3 or 1/2 HP
T'stat with External Interlock
* NOTE: Remove Jumper
If External Interlock Used or 
If 3Ø 1/3 or 1/2 HP with T-stat
S
W
3
Brake
(If
Req'd)
Place Jumper Between 3 & 4
If a Stop Button Is Not Used
Timer Defeat Switch
MOTOR
GND
SW4
35
TI-1
SW5
TL-2
3
5
P3-1
(To Radio)
1
2
3
P3-4
(To Radio)
P3-2
(To Radio)
Radio
Control
1
TS
(Optional)
C
Red
(When Used)
P2-10
(3/4 HP to
2 HP Only)
13
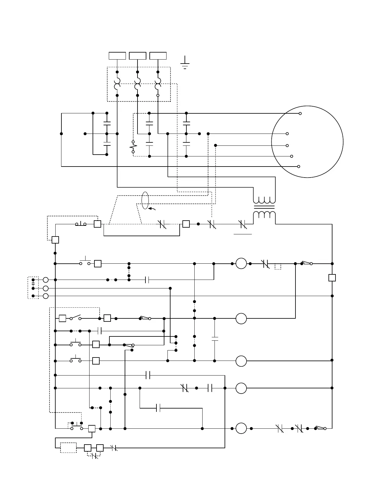
HJ THREE PHASE SCHEMATIC DIAGRAM
(For P.C. Board #14D0379)

Related product manuals