EasyManua.ls Logo

Chery A5 2007 - Heater Seats System

Chery A5 2007
25 pages
Print Icon
To Next Page IconTo Next Page
To Next Page IconTo Next Page
To Previous Page IconTo Previous Page
To Previous Page IconTo Previous Page
Loading...
$
12
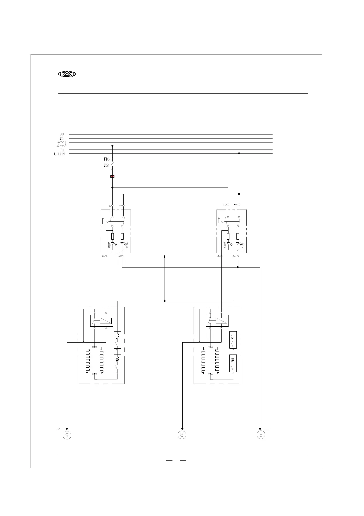
&+(5<$&,5&8,7',$*5$0

+HDWHUVHDWVV\VWHP
3DVVHQJHU
KHDWHU
VHDW
HTXLSPHQW
7REDWWHU\
IXVHER[)%
'ULYHU
KHDWHU
VHDW
HTXLSPHQW
3DVVHQJHU
VHDW
KHDWHU
VZ
'ULYHU
VHDW
KHDWHU
VZ
)XVHER[/
咥ⱑ
咥㡆
㑶㡆
㓓咥
咥ⱑ
咥㡆
㓓咥
㑶㡆

Related product manuals