EasyManua.ls Logo

Chery A5 2007 - ECU System (ME797)

Chery A5 2007
25 pages
Print Icon
To Next Page IconTo Next Page
To Next Page IconTo Next Page
To Previous Page IconTo Previous Page
To Previous Page IconTo Previous Page
Loading...
12
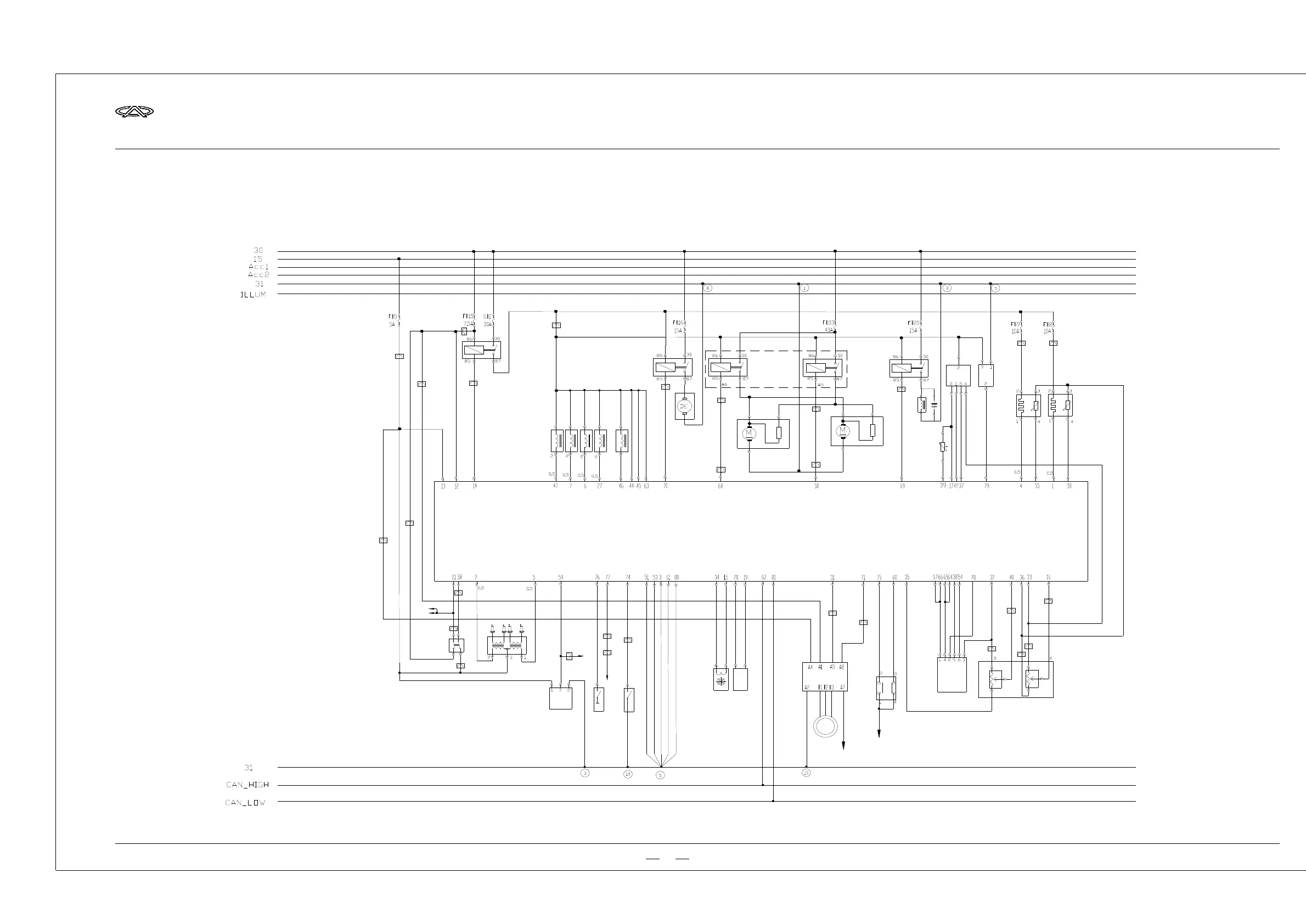
&+(5<$& ,5&8,7',$*5$0
(& 8 $
(& 8$ 
(&8 $ 
(& 8$ 
)XVH
ER[
.
(06
UHOD\
(& 8 $
$LU
IORZ
PHWHU
&R ROLQJ
WHPSWXUH
VHQVRU
(& 8 $
(& 8 $
(& 8$
(& 8$
(& 8$
(&8 %
&2 
)DQ
FR Q W U R O
PRXGOH
(& 8$ 
(&8 $ 
7R ,3
(&8 %
&2
$&
UHOD\
$&
FOXWFK
(& 8 $
(& 8 $
(& 8%
&2
(&8V\VWHP
(& 8$ 
)XOH
SXPS
UHOD\
$
,QGXFWRULXP
)XVH
ER[
.
)XVH
ER[
.
)XVH
ER[
-
)X VH
ER [
.
,QMHFWRU
&DQLVWHU
SXUJH
YDOYH
)XVH
ER[
.
)XVH
ER[
.
)XVH
ER[
.
)URQW
R[\JHQ
VHQVRU
5HDU
R[\JHQ
VHQVRU
&DPVKDIW
SRVLWLRQ
VHQVRU
$%6 
7R
,6 8I UR QW
3( 
,JQLWLRQ
V\VWHP
966
3RZHU
VWHHULQJ
6:
&OXWFK
6:
7R
IURQW
EHDP


(O HFWURQLF
DF FHOHUDWH
SDQHO
VHQVRU
(O HFWURQLF
WKURWWOH
ER G\
7R$ &
PRGXOH%˄
$&6
$&
SUHVVXUH
6:
7R
GLDJQRVWLF
LQWHUIDFH

(QJLQHDQWL
WKLIHPRGXOH
.RQFN
VHQVRU
&UDQN VKDIW
SRVLWLRQ
VHQVRU
(&8V\VWHP0(

Related product manuals