EasyManua.ls Logo

Chery A5 2007 - ECU System (M797)

Chery A5 2007
25 pages
Print Icon
To Next Page IconTo Next Page
To Next Page IconTo Next Page
To Previous Page IconTo Previous Page
To Previous Page IconTo Previous Page
Loading...
,Q
EDWWHU\
ER[
7R$&
PRGXOH%˄
$&6:˅
$&
SUHVVXUH
6:
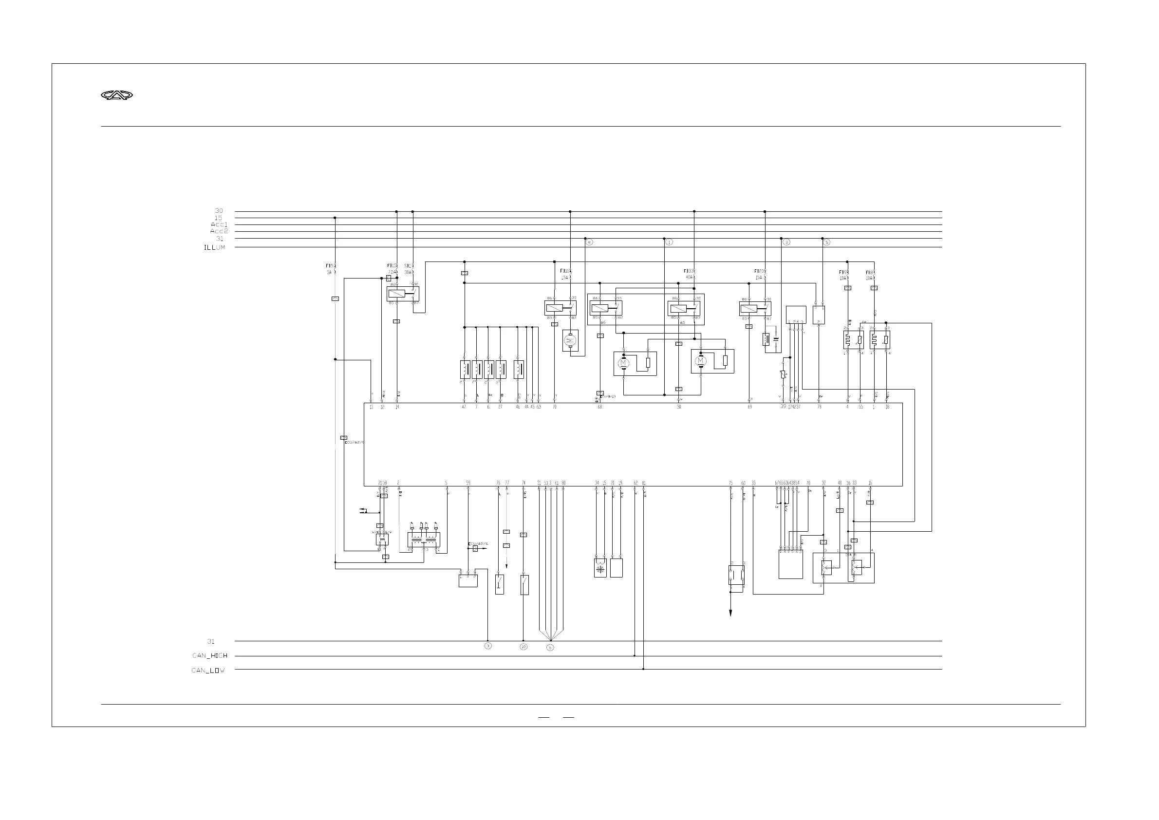
(&8V\VWHP0
)XOH
SXPS
UHOD\
)X VH E R[ .
 
&DPVKDIW
SRVLWLRQ
VHQVRU
(&8V\VWHP
(OHFWURQLF
WKURWWOH
ERG\
7R
IURQW
EHDP


&2
(& 8) *
3RZHU
VWHHULQJ
6:
&OXWFK
6:
(& 8 $ 
)XVH
ER[.

)XVH
ER[
.
$&
FOXWFK
$&
UHOD\
&2 
7R , 3
 
(&8$ 
)DQ
FRQWRU
PRGXOH

(&8%
&DQLVWHU
SXUJH
YDOYH
(& 8 $
(& 8 $
(& 8 $
(& 8 $
7R
,6 8 IU RQ W
3(  
$% 6
(& 8 $
.RQFN
VHQVRU
&RROLQJ
WHPS
VHQVRU
,QWDNH
SUHVVXUH
WHPS
VHQVRU
(OHFWURQLF
DFFHOHUDWH
SDQHO
VHQVRU
(& 8 $ 
&UDQNVKDIW
SRVLWLRQ
VHQVRU
(06
UHOD\
(& 8 $ 
966
,JQLWLRQ
V\VWHP
5HDU
R[\JHQ
VHQVRU
&+(5<$&,5&8,7',$*5$0
12
$
)XVH
ER[.

)XVH
ER[.

)XVH
ER[.

,1MHFWRU
)XVH
ER[-

)X VH E R[ .
 
)URQW
R[\JHQ
VHQVRU
3UHVV XUH
7HPS

Related product manuals