EasyManua.ls Logo

Chery Tiggo 5 T21 - Page 222

Chery Tiggo 5 T21
253 pages
Print Icon
To Next Page IconTo Next Page
To Next Page IconTo Next Page
To Previous Page IconTo Previous Page
To Previous Page IconTo Previous Page
Loading...
Training Center of After-Sales Department Chery International
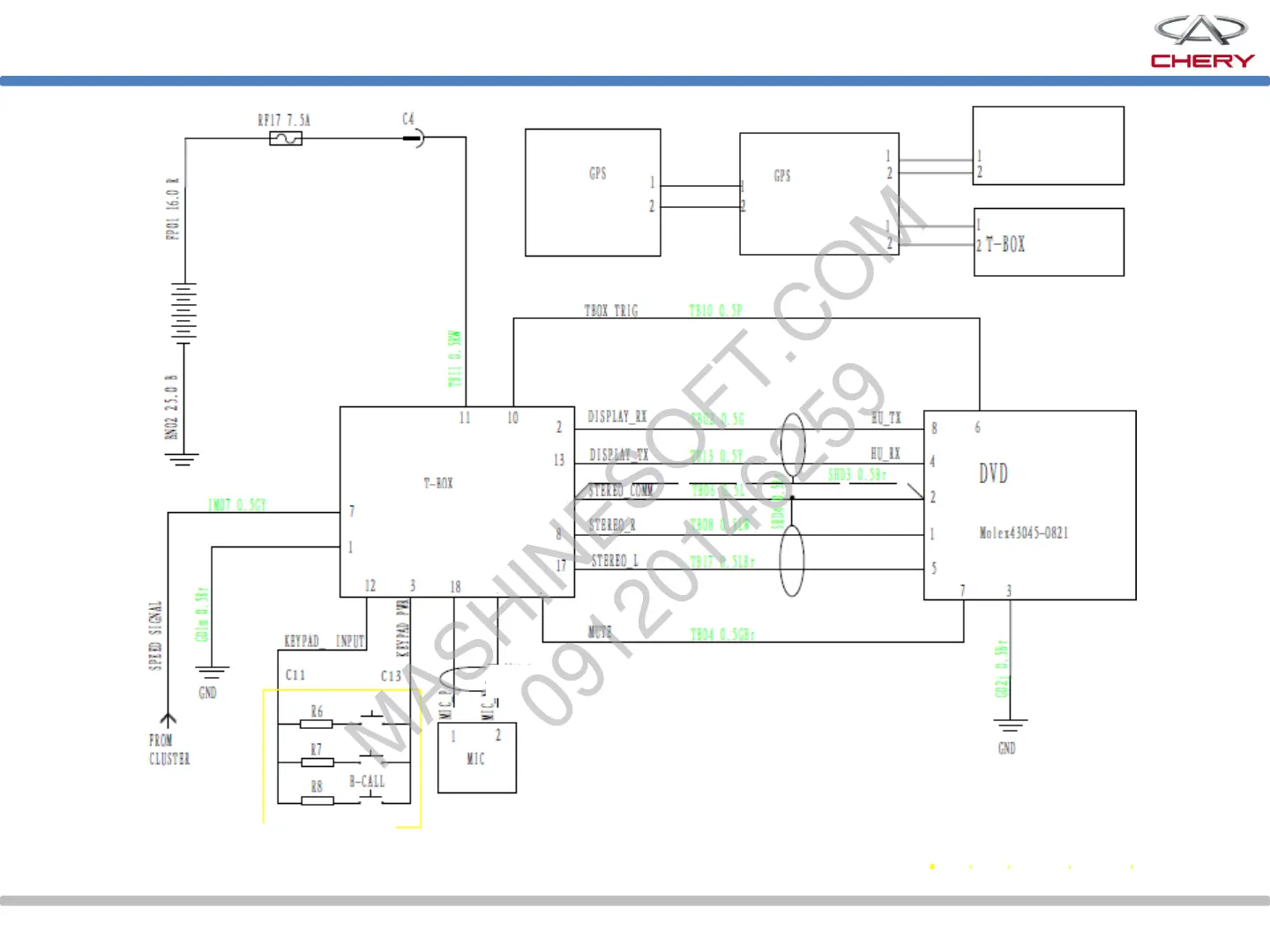
14. TELEMATICS system
222
GPS天线位置?
Antenna Shunter
Device GPS
connector
GPS
connector
Shielding
layer
Shielding
layer
Shielding
layer
Steering wheel
button 2
Main
connector
New connector
MASHINESOFT.COM
09120146259

Related product manuals