EasyManua.ls Logo

Chiko CBA-080AT-HC - Page 20

Chiko CBA-080AT-HC
23 pages
Print Icon
To Next Page IconTo Next Page
To Next Page IconTo Next Page
To Previous Page IconTo Previous Page
To Previous Page IconTo Previous Page
Loading...
チコーエアーテック株式会社
Copyright CHIKO AIRTEC CO., LTD. 2009
20
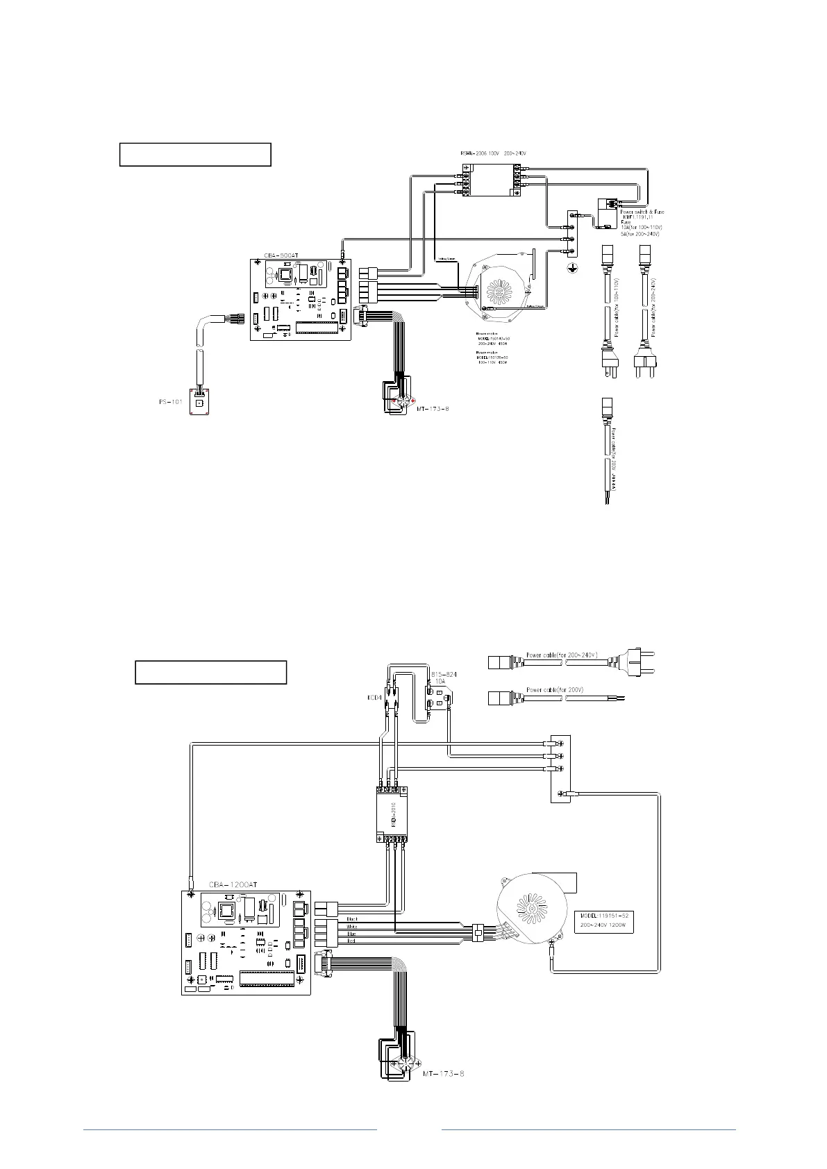
CBA-1200AT-HC-CE
CBA-500AT-HC(-CE)

Table of Contents