EasyManua.ls Logo

CHINT NVF5-7.5/TS4-B - Page 25

CHINT NVF5-7.5/TS4-B
148 pages
To Next Page IconTo Next Page
To Next Page IconTo Next Page
To Previous Page IconTo Previous Page
To Previous Page IconTo Previous Page
Loading...
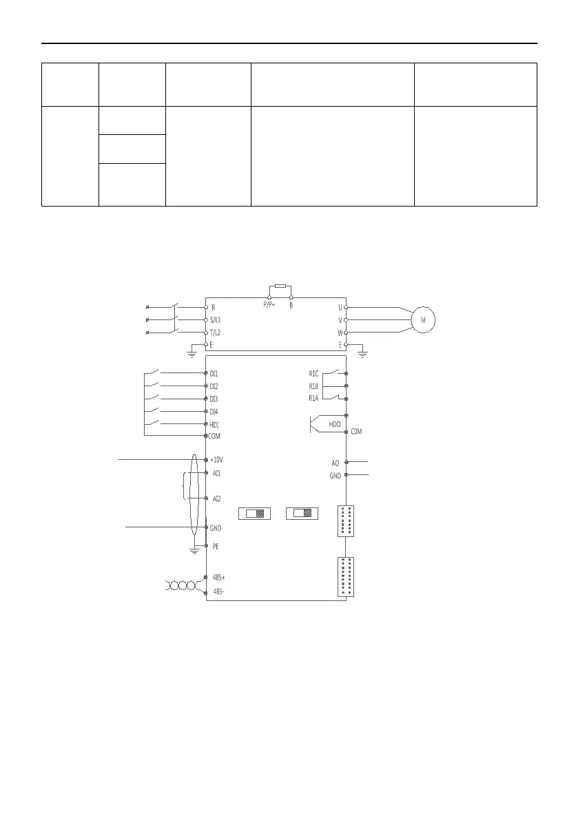
NVF5 Series User Manual Chapter 3 Installation and Wiring
3.5.3 Power terminal and I/O terminal block diagram
V:(-10~10)V
I:(0~20)mA or (4~20)mA
RS485 communication
Brake resistor
Main circuit terminal
Control circuit terminal
QF
Power grounding
Motor grounding
A11
V1I1
2 x Analog input
Analog input power supply
Analog input common
AO
Programmable
Multifunction
AOVAOI
Single-phase input power
230V 50/60Hz
Three-phase input power
380V~440V 50/60Hz
V:(0~10)V
I:(0~20)mA or (4~20)mA
Analog output
Output
J2、J3 Multifunction extension card interface
J2 Multifunction interface
J3 Multifunction interface
Programmable relay outputs
Programmable open collector
Input
high-speed output
Figure 3-5-3 Inverter Terminal Wiring Diagram
AO Dip SwitchLeft0~20mA or 4~20mA Analog Current OuputRight,( 0~10
V Analog Voltage Output.
AI1 Dip SwithLeft,( 0~20mA or 4~20mA Analog Current inputRight,( 0~10
VAnalog Voltage input.
AI2Current Output need to be customized
COM
+24V Power
Supply
Common
24V Common
Internal Isolation
between COM and
GND
Relay
Output
R1A
Relay
Output
Programmable Relay
Output Terminals,refer to
parameter F6.02
R1A-R1B
N.C.
R1B-R1C
N.O.
Contact Capacity
NO 5A /NC 3A
250V
AC
R1B
R1C
- 21 -

Table of Contents

Other manuals for CHINT NVF5-7.5/TS4-B

Related product manuals