EasyManua.ls Logo

Chrysler 2012 300 - Page 336

Chrysler 2012 300
576 pages
Print Icon
To Next Page IconTo Next Page
To Next Page IconTo Next Page
To Previous Page IconTo Previous Page
To Previous Page IconTo Previous Page
Loading...
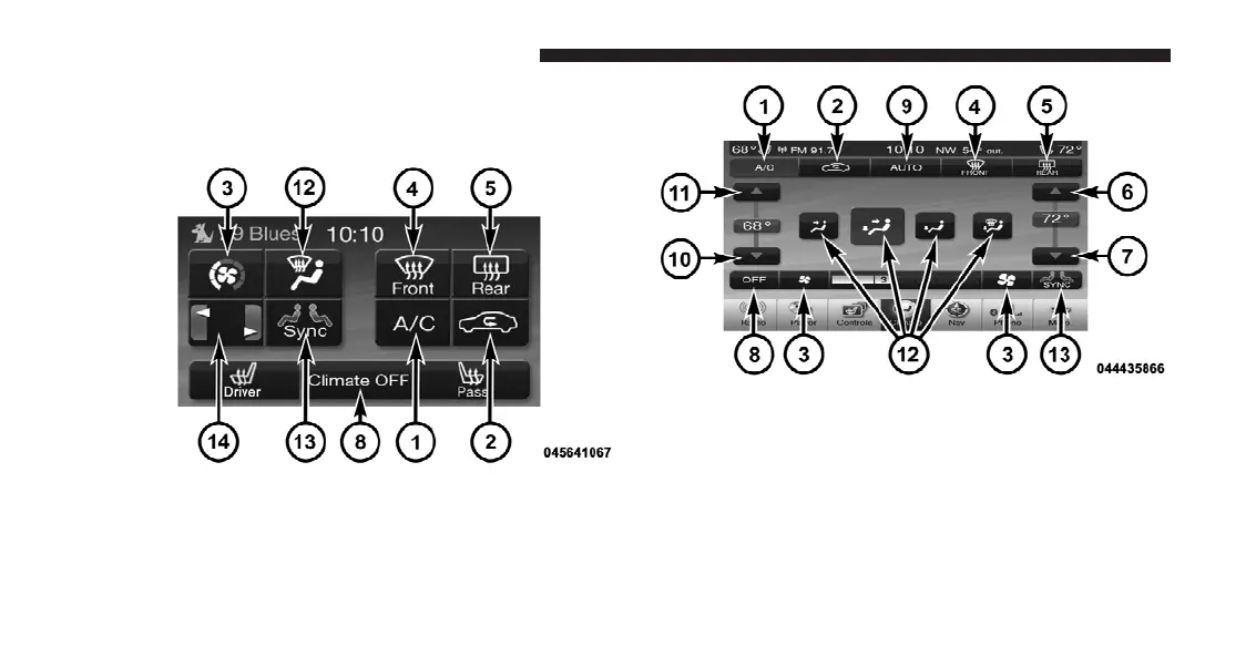
Soft-Keys
Soft-keys are accessible on the Uconnect Touch™ system
screen.
Button Descriptions (Applies To Both Hard-keys And
Soft-keys)
1. A/C Button
Press and release to change the current Air Conditioning
(A/C) setting, the indicator illuminates when A/C is ON.
Uconnect Touch™ System 4.3 Manual Temperature
Controls Soft-keys (If Equipped)
Uconnect Touch™ System 8.4 Automatic Temperature
Controls Soft-keys
334 UNDERSTANDING YOUR INSTRUMENT PANEL

Table of Contents

Other manuals for Chrysler 2012 300

Related product manuals