EasyManua.ls Logo

Cimbali M23UP - Page 34

Default Icon
36 pages
Print Icon
To Next Page IconTo Next Page
To Next Page IconTo Next Page
To Previous Page IconTo Previous Page
To Previous Page IconTo Previous Page
Loading...
30
1836
14
50
66
67
16
In
2,5 mm
In
2,5 mm
In
2,5 mm
In
2,5 mm
C/S
In
0,8 mm
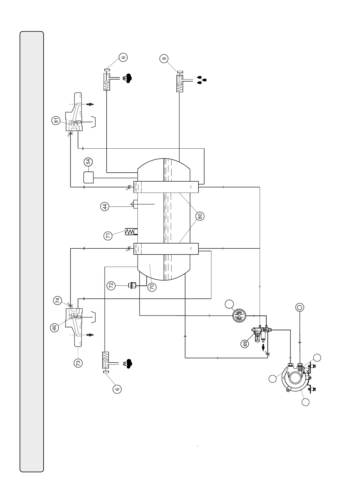
Circuito idraulico - Hydraulic circuit - Circuit hydraulique - Hydraulikplan - Circuito hidraulico - Circuito hidraulico

Related product manuals