EasyManua.ls Logo

CITROEN CX - Page 174

CITROEN CX
394 pages
Print Icon
To Next Page IconTo Next Page
To Next Page IconTo Next Page
To Previous Page IconTo Previous Page
To Previous Page IconTo Previous Page
Loading...
/fem
0
0
4 OPERATION
MÅ. 230-00
(,Iu,ae/Fr!I/s (Uni s»((
lai
Ud/hUS 0/
/i,c c-oo/w
ss/cn;
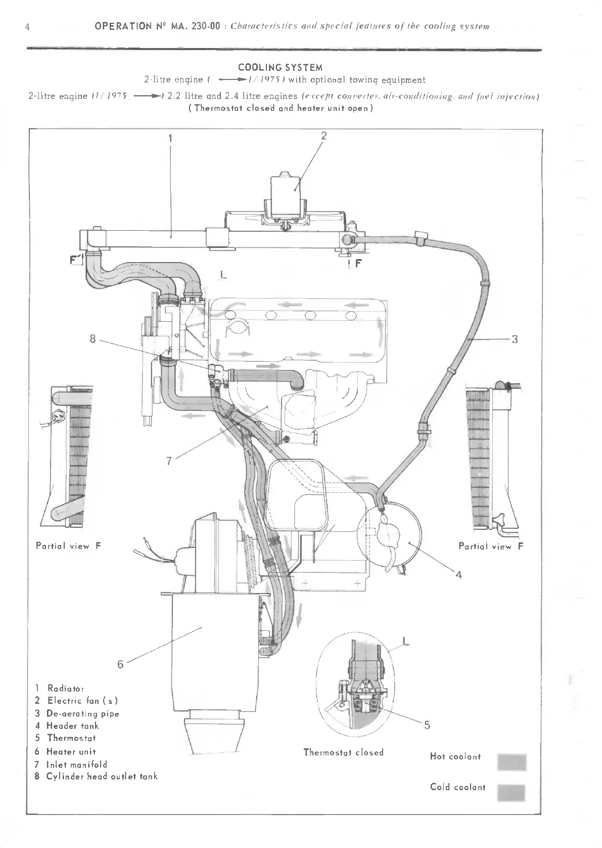
COOLING SYSTEM
2
-litre engine
(
7
7)"
5) with
optionul towing
equipment
2-litre engine
(L
/975 a-
)
2.2 litre and 2.4
litre
engines
(c-veu/ co"' er/er. air-coaditioning.
a,n/ /ziei
in jer//on)
Thermostat closed
and
heater unit open
1
2
iii
"liii
/
.0
0
0
H
II
8
7
Parhal view F
/
Partial view F
1)
6
/
--
L
!
'---'
5
Tliermostat
/
-
-
6
Heater unit
-
-
-'
Thermostat closed
Hot coolant
7 Inlet rnanifold
8
Cylinder
head outl et tank
Cold coolant
PDF compression, OCR, web-optimization with CVISION's PdfCompressor

Table of Contents

Related product manuals