EasyManua.ls Logo

CITROEN CX - Page 59

CITROEN CX
394 pages
Print Icon
To Next Page IconTo Next Page
To Next Page IconTo Next Page
To Previous Page IconTo Previous Page
To Previous Page IconTo Previous Page
Loading...
25.008 to 25.014
215(1
2/-i
mark for class of con-rod
or
Class
57.675 to 57.685
Class 2 57.685 to 57.695
NOTE
Con-rods to 2350 engines, do not have
cylindrical at
Connec-
ting
Glass 1.820 1.826
glass
2
1.825
to 1.831
Glass 1 2.070 to 2.076
B
Glass 2 2.075 to 2.081
z
z
180'Z
solo
066'£S
x
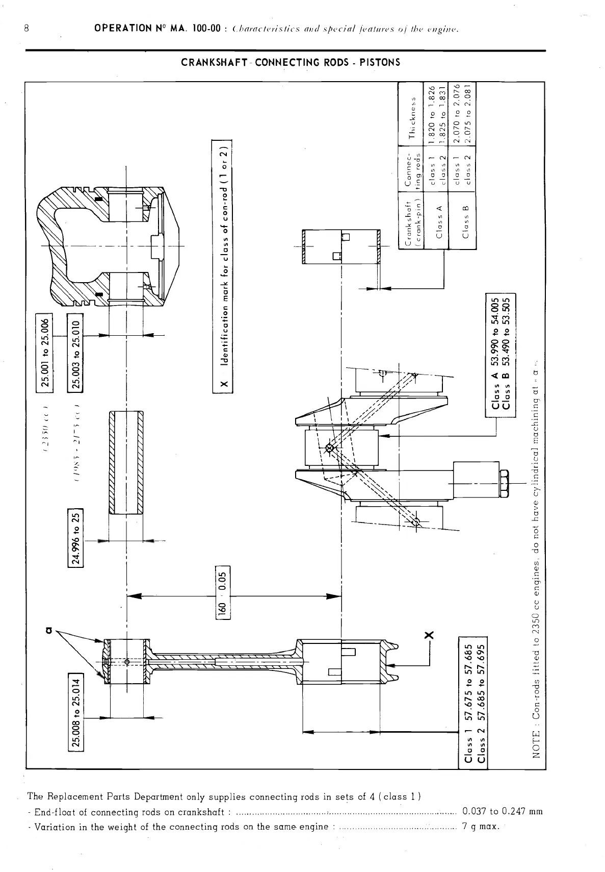
8 OPERATION MA.
100-00
: (harac/eristics and
sncia/ fnilurns
ni
thn ni/ginn.
CRANKSHAFT-CONNECTING
RODS
-
PISTONS
........................................................................................
................................................
oQ
,
c c
;;
;;
U
c n
R
1
___
_
+
1
_
1
-
T
__ _
i
L
The Replacement
Parts
Department oniy supplies connecting rods in sets of
4
(class 1
0.037 to 0.247 mm
- End-float of connecting rods
on crankshaft
7
g
max.
Variation
in the weight
of the connecting
rods on the same engine
PDF compression, OCR, web-optimization with CVISION's PdfCompressor

Table of Contents

Related product manuals