EasyManua.ls Logo

Clarion CDC605 - Page 9

Clarion CDC605
27 pages
Print Icon
To Next Page IconTo Next Page
To Next Page IconTo Next Page
To Previous Page IconTo Previous Page
To Previous Page IconTo Previous Page
Loading...
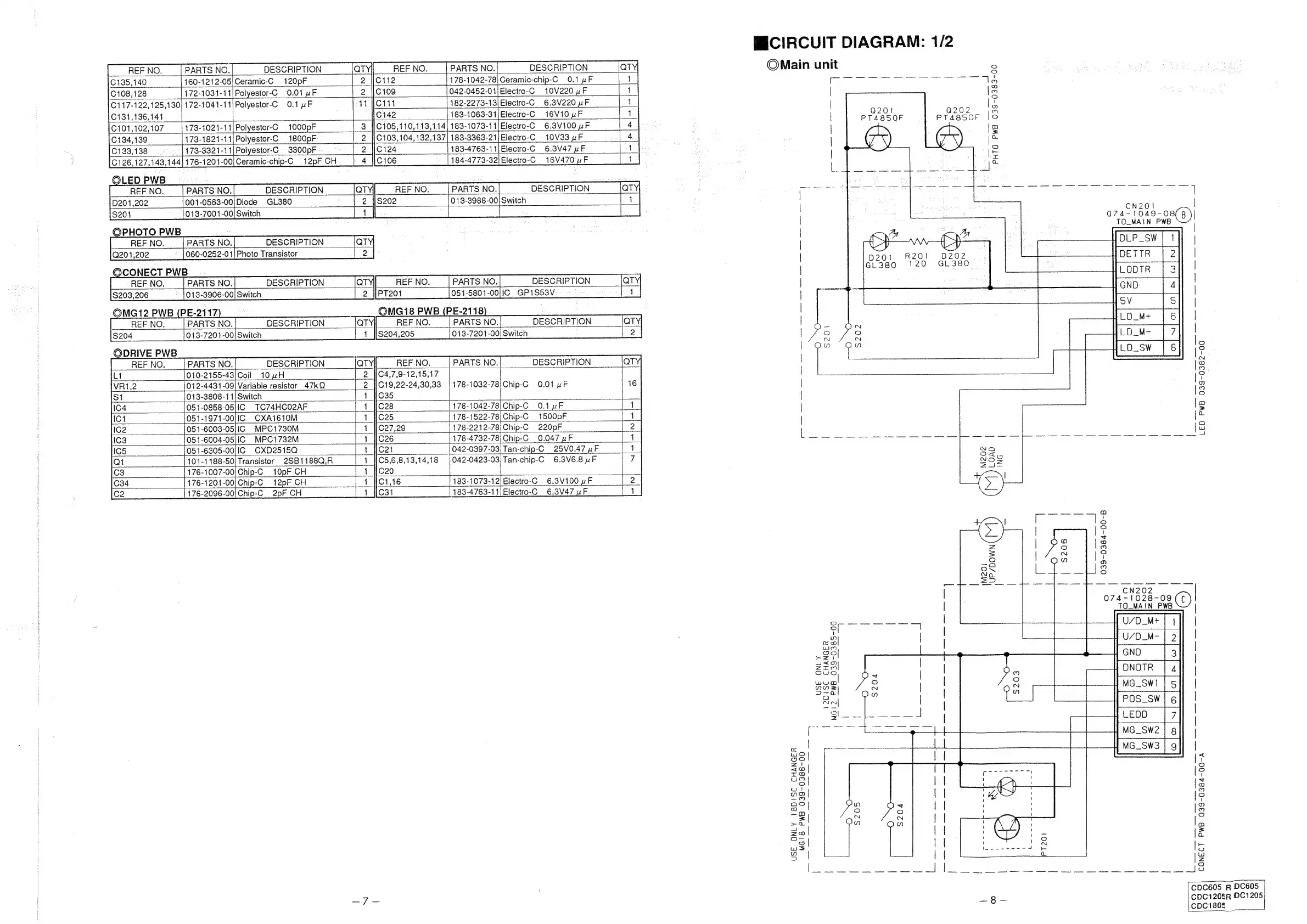
MICIRCUIT
DIAGRAM:
1/2
REF
NO.
PARTS
NO.
DESCRIPTION
PARTS
NO.
DESCRIPTION
©Main
unit
S
C135,140
160-1212-05|Ceramic-C
_120pF
2
C112
|178-1042-78
Ceramic-chip-C
0.1
uF
is
(SS
Se
eS
pes
C108,128
172-1031-11|Polyestor-C
0.01
uF
C109
042-0452-01|Electro-C
_10V220
uF
1
(S
C117-122,125,130|
172-1041-11|Polyestor-C
0.1
uF
14
[C114
182-2273-13|Electro-C
_6.3V220
uF
1
io
C131,136,141
C142
183-1063-31/Electro-C_16V10
uF
1
ae
eee
eT
a
C101,102,107
_|173-1021-11|Polyestor-C__1000pF
3
|]C105,110,113,114]
183-1073-11|Electro-C__6.3V100
uF
4
jn
134,139
173-1821-11|Polyestor-C
_
1800pF
2
|10103,104,132,137|
183-3363-21|Electro-C
_10V33
uF
4
GC)
()
i
173-3321-11|Polyestor-C
_3300pF
2
|\c124
__|183-4763-11|Electro-C
6.3V47
uF
1
é
\
é
\
°
176-1201-00/Ceramic-chip-C_12pFCH
|
4
|[C106
184-4773-32|Electro-C
_16V470
uF
1
|
a
L
erie
ob
ol
PARTS
NO.
DESCRIPTION
PARTS
NO.
DESCRIPTION
ic
ae
ee
ee
fe
i
—-——4
001-0563-00|Diode
GL380
013-3988-00|
Switch
013-7001-00|Switch
074=1048-08(§)|
©PHOTO
PWB
mn
a
TOLMAIN
PWB
jl
REF
NO.
PARTS
NO.
DESCRIPTION
QT
<
iy
poe
|
Ly
cp
Q201,202
060-0252-01|
Photo
Transistor
2
Ko)
ee
0201
R201
0202
OCONECT
PWB
6L380
120
GL380
a
ee
REF
NO.
PARTS
NO.
DESCRIPTION
REF
NO.
PARTS
NO.
DESCRIPTION
[QT
ara
013-3906-00|
Switch
PT201
051-5801-00/IC_GP1S53V
1
meee
cl
OMG12
PWB
(PE-2117
|
REF
NO.
PARTS
NO.
|
DESCRIPTION
:
PARTS
NO.
DESCRIPTION
c
|
$204
013-7201-00|Switch
013-7201-00|
Switch
3S
3
“pare
hes
g
PARTS
NO.
DESCRIPTION
PARTS
NO.
DESCRIPTION
i
es
ut
010-2155-43|Coil
10
wH
|
Teen
wer
2
VR1,2
012-4431-09]
Variable
resistor_47kQ
2
||C19,22-24,30,33
|
178-1032-78/Chip-C
0.01
uF
16
a
$1
013-3808-11|Switch
[4
2
1C4
051-0858-05|IC__TC74HCO2AF
1
|[C28
178-1042-78|Chip-C
0.1
uF
1
o
IC1
051-1971-00|IC__CXA1610M
1
|[c25
178-1522-78|Chip-C
_1500pF
1
&
IC2
051-6003-05|IC__MPC1730M
1_|}C27,29
178-2212-78|Chip-C
_220pF
|
2
2
Ic3
051-6004-05|IC__MPC1732M
1
||C26
[178-4732-78|Chip-C
0.047
uF
1
Lei
Re
Oe
tenia
ee
A
Eas
at
as
Se
eee
ene
eS
eee
a
051-6305-00/IC__CXD2515Q
1
||C21
~
[o2-0307-03|Tan-chip-C
25V0.47
uF
1
ae
[101-1
188-50|Transistor
2SB1188Q,R
1
|C5,6,8,13,14,18
|042-0423-03)Tan-chip-C
6.3V6.8
nF
7
ere
176-1007-00|Chip-C_
_10pF
CH
1
a2
[176-1201-00|Chip-C
_12pF
CH
1
/C1,16
183-1073-12|Electro-C_6.3V100
wF
aise
|
176-2096-00/Chip-C__2pF
CH
1
183-4763-11|Electro-C
6.3V47
uF
eee
ee
end
a
ea
‘i
18
23
|
7
17
ze
|
-
ean}
|
a
3
Lee:
ie
=A
ro)
on
=
anaes
ee
Abd
eee
1,
epee
eee
ei
[See
eeepeneet
eve
etrees
|
|
|
|
Cree
Ss
Jee
ta
et
“eg
|
|
(aamee)
|
Lm,
~ZFl
Z=2I
|
ZriMm
|
OvuUG
Cig:
|
tabayitel
o
|
gor:
on
|
a
|
a
|
|
Bn
bosnctel
9
(Saas
ae
pee
ge
|
{
|
SF
MO
a
ne
ee
.
oS
|
|
|
<
oa
8
°S|
|
|
2
ol
3
a
|
ys
|
|
)
“2
“4
|
|
S
ae
Ow
a
20
|
|
|
z
°3|
|
|
oF
5
S|
|
|
w
Ue
yates
eae
J
|
S
CDC605
R
DC605
as
—8-—
CDC1205R
DC1205
CDC1805

Related product manuals