EasyManua.ls Logo

Clevo P650SG - Main Board

Clevo P650SG
126 pages
Print Icon
To Next Page IconTo Next Page
To Next Page IconTo Next Page
To Previous Page IconTo Previous Page
To Previous Page IconTo Previous Page
Loading...
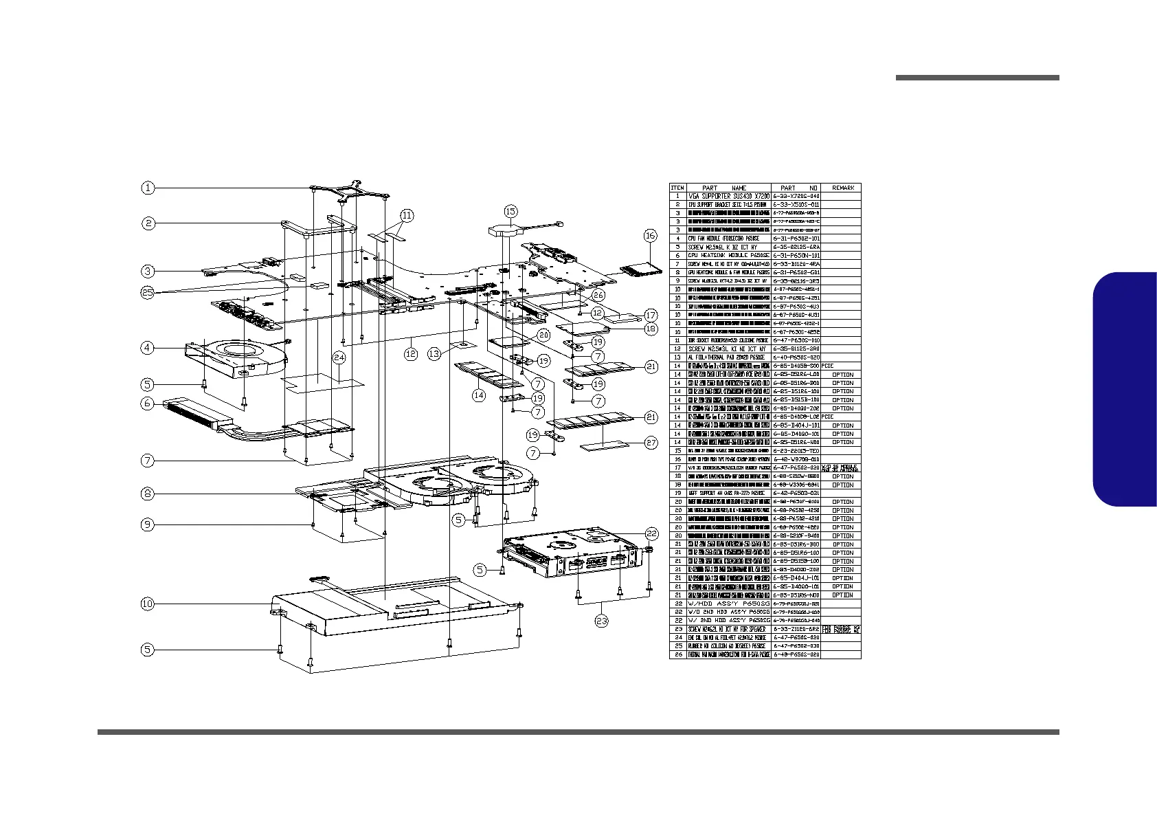
Main Board A - 5
A.Part Lists
Main Board
⎒⎗㓦㬌ỵ伖
⎒⎗㓦㬌ỵ伖
Figure A - 3
Main Board

Table of Contents

Related product manuals