EasyManua.ls Logo

Clevo W255EU - Pantherpoint - M 1;9

Clevo W255EU
101 pages
Print Icon
To Next Page IconTo Next Page
To Next Page IconTo Next Page
To Previous Page IconTo Previous Page
To Previous Page IconTo Previous Page
Loading...
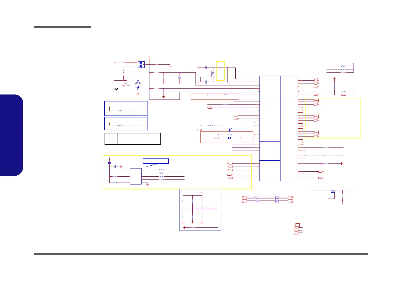
Schematic Diagrams
B - 14 PantherPoint - M 1/9
B.Schematic Diagrams
PantherPoint - M 1/9
5VS
J_RTC2
BAT-063-P01
-
2
+
1
HDA_BITCLK_MDC28
HDA_SYNC_MDC28
HDA_RST#_MDC28
HDA_SDO_MDC28
R763 33_04
SPI_CS1#_R
R765 33_04
HDA_RST#_RHDA_RST#_R
SRTC_RST#
3.3VS
ME ROM
SATA HDD
R294
3.3K_1%_04
SPI_* = 1.5"~6.5"
HDA_SYNC 29
HDA_RST# 29
16Mbit
HDA_SDOUT 29
HDA_BITCLK 29
R291
3.3K_1%_04
SPI_WP#
SPI_HOLD#
Flash Descriptor Security Overide
U17
MX25L1606EM2I-12G
PCB Footprint = M-SOP8B
CE#
1
SO
2
WP#
3
VSS
4
SI
5
SCK
6
HOLD#
7
VDD
8
HDA_SDOUT
SATA ODD
VDD3
RTCVCC
HIGH = Enable
LOW = Disable
3.3VS
3.3VS
R445 *10K_04
GPIO21
SATA_LED#
R183 10K_04
Zo=
50£[¡Ó15%
RTCVCC
1.05VS
1.05VS
20mil
10mil
20mil
PCH_JTAG_TMS
SPI_CS0#_R
RTC_RST#
RTC_X2
PCH_JTAG_TDI
PantherPoint - M
(HDA,JTAG,SATA)
PCH_JTAG_TDO
SPI_SCLK_R
SPI_SI
NO REBOOT STRAP: HDA_SPKR High Enable
iTPM ENABLE/DISABLE
TPM FUNCTION:SPI_SI High Enable
HDA_SPKR
RTC_VBAT1
HDA_SPKR
SPI_SI_R
RTC CLEAR
SATA_LED# 28
R538 *10K_04
HDA_SPKR29
HDA_SDIN128
HDA_SDIN029
SATA_LED#
R235 330K_04
SPI_SO_R
R476
1K_04
USB30_SMI#26
3.3VS
R478
10M_04
NC1
*NC_04
R168 10K_04
R236
1M_04
LPC_AD0 23,27
SATAICOMP
SERIRQ
JOPEN1
*OPEN_1mm
12
LPC_AD1 23,27
R195 *1K_04
R167 *1K_04
X1 3
MC-306_32.768KHz
14
3 2
R172 37.4_1%_04
LPC_AD2 23,27
R477
20K_1%_04
R237
20K_1%_04
3.3V2,3,6,11,14,15,17,18,19,20,22,23,26,27,28,31,33,34,35
LPC_AD3 23,27
3.3VS3,9,10,11,12,14,15,16,17, 18,19,20,23,24,25,27,28,29,30,31,36
VDD322,23,24,26,27,30,31,32,38
R791 0_04
NO REBOOT STRAP
3.3A_1.5A_HDA_IO20
5VS11,12,19,20,25,29,30,31,36,37
LPC_FRAME# 23,27
1.05VS14,15,19,20,34
SERI RQ 23,27
SATATXN0 25
SATARXP0 25
SATARXN0 25
SATATXP0 25
R432 750_1%_04
R171 49.9_1%_04
BBS_BIT0 17
RBIAS_SATA3
SPI_SCLK_R27
RTC_VBAT_1
C
A
A
D17
BAT54CS3
1
2
3
SPI_SCLK
GPIO21
PCH_INTVRMEN
SM_INTRUDER#
SPI_SO
SPI_SI
SPI_CS0#
SATA3COMP
PCH_JTAG_TCK_BUF
RTC_X1
R209
100_1%_04
R218
210_1%_06
R238
210_1%_06
R223
210_1%_06
R211
100_1%_04
R458 51_04
HM70 Disable (port 3)
R459
100_1%_04
3.3V
PCH_JTAG_TC K_BUF
PCH_JTAG_TMS
PCH_JTAG_TDO
PCH_JTAG_TDI
HDA_SYNC_L
RTCIHDA
SATA
LPC
SPI
JTAG
SATA 6G
U37A
Panther Point-S-A1
RTCX1
A20
RTCX2
C20
INTVRMEN
C17
INTRUDER#
K22
HDA_BCLK
N34
HDA_SYNC
L34
HDA_RST#
K34
HDA_SDIN0
E34
HDA_SDIN1
G34
HDA_SDIN2
C34
HDA_SDO
A36
SATALED#
P3
FWH0 / LAD0
C38
FWH1 / LAD1
A38
FWH2 / LAD2
B37
FWH3 / LAD3
C37
LDRQ1# / GPIO23
K36
FWH4 / LFRAME#
D36
LDRQ0#
E36
RTCRST#
D20
HDA_SDIN3
A34
HDA_DOCK_EN# / GPIO33
C36
HDA_DOCK_RST# / GPIO13
N32
SR TC RS T#
G22
SATA0RXN
AM3
SATA0RXP
AM1
SATA0TXN
AP7
SATA0TXP
AP5
SATA1RXN
AM10
SATA1RXP
AM8
SATA1TXN
AP11
SATA1TXP
AP10
SATA2RXN
AD7
SATA2RXP
AD5
SATA2TXN
AH5
SATA2TXP
AH4
SATA3RXN
AB8
SATA3RXP
AB10
SATA3TXN
AF3
SATA3TXP
AF1
SATA4RXN
Y7
SATA4RXP
Y5
SATA4TXN
AD3
SATA4TXP
AD1
SATA5RXN
Y3
SATA5RXP
Y1
SATA5TXN
AB3
SATA5TXP
AB1
SATAICOMPI
Y10
SPI_CLK
T3
SPI_CS0#
Y14
SPI_CS1#
T1
SPI_MOSI
V4
SPI_MISO
U3
SATA0GP / GPIO21
V14
SATA1GP / GPIO19
P1
JTAG_TCK
J3
JTAG_TMS
H7
JTAG_TDI
K5
JTAG_TDO
H1
SERIRQ
V5
SPKR
T10
SATAICOMPO
Y11
SATA3COMPI
AB13
SATA3RCOMPO
AB12
SATA3RBIAS
AH1
HDA_SYNC_R
3.3A_1.5A_HDA_IO
C465
1u_6.3V_X5R_06
C206
1u_6.3V_X5R_06
Q57
MTN7002ZHS3
G
D S
3.3V
SPI_CS0#_R
C468
18p_50V_NPO_04
HDA_BITCLK_R
C463
18p_50V_NPO_04
6-03-08265-0S0
SPI_CS0#_R27
SPI_SO_R27
SPI_SI_R
SPI_CS1#_R27
R224 1K_04
Board ID 11
R670
1M_04
R539 *20mil_04
C221
0.1u_16V_Y 5V_04
RTCVCC15,20
SATARXP4 23
SATARXN4 23
SATATXP4 23
SATATXN4 23
R229
10K_04
3.3VS
3.3A_1.5A_HDA_IO
R269 *1K_04
SPI_SO_R
R230
*10K_04
GPIO13 Enabled Ext USB3.0 = SMI#
Enabled Int USB3.0 = Pull High
Board ID
W/O Modem®É,
¥Î¦¹ RTC Conn.
Flash Descriptor
Security Overide
Low = Disabled-(Default)
High = Enabled
SPI_SI_R27
mSATA
HDA_SYNC_R
RN18
33_8P4R_04
1
2
3
4 5
6
7
8
HDA_SDOUT_R
ME_WE27
D12 RB751S-40C2
A C
HDA_SYNC_L
HDA_BITCLK_R
HDA_RST#_R
HDA_SDOUT_R
SATARXP2 25
SATARXN2 25
SATATXP2 25
SATATXN2 25
HM70 Disable (port 1)
INTVRMEN- Integrated SUS 1.05V VRM Enable
High - Enable Internal VRs /Low - Enable External VRs
R764 33_04
2
J_RTC1
1
RN17
*33_8P4R_04
1
2
3
45
6
7
8
SPI_SCLK_R
J_RTC1
*85205-02701
1
2
C466 1u_6.3V_X5R_06
Sheet 13 of 43
PantherPoint - M
1/9

Table of Contents

Related product manuals