EasyManua.ls Logo

Clipper C9 - Page 19

Default Icon
22 pages
Print Icon
To Next Page IconTo Next Page
To Next Page IconTo Next Page
To Previous Page IconTo Previous Page
To Previous Page IconTo Previous Page
Loading...
19
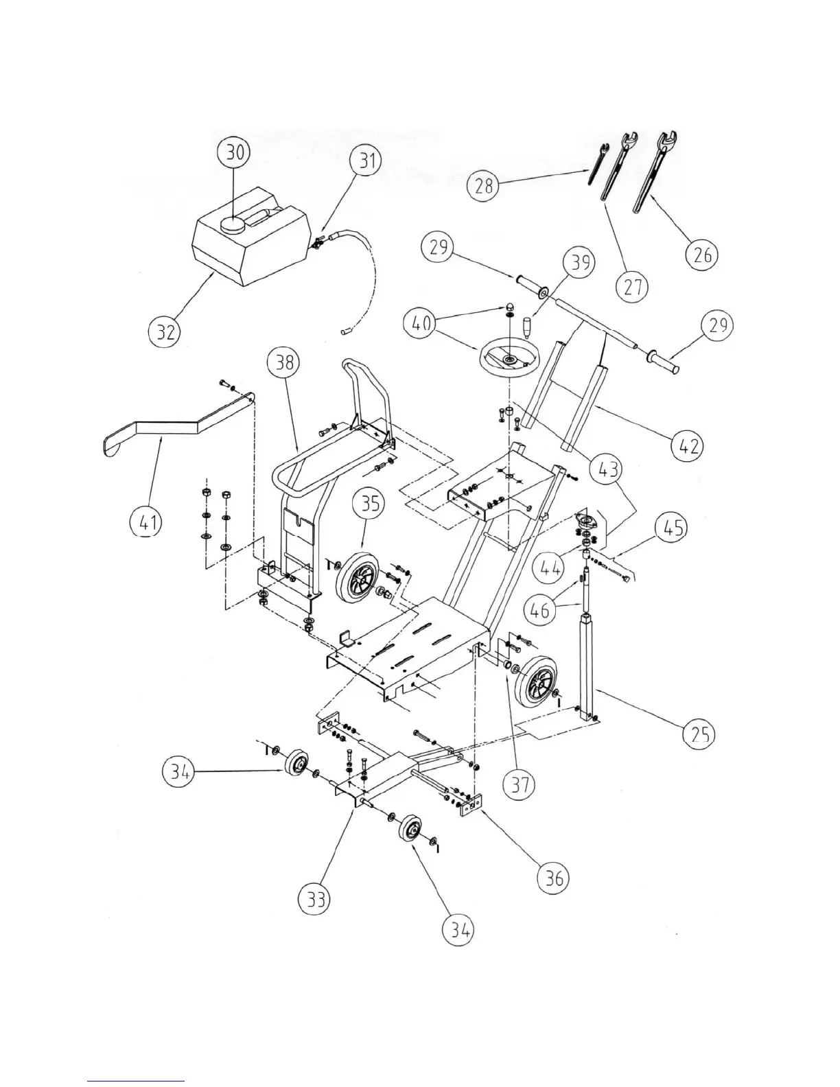
C9 Parts Drawing

Related product manuals