EasyManua.ls Logo

CLIVET MC2-Y 160T - Electrical Connections (Continued)

CLIVET MC2-Y 160T
144 pages
Go to English
Print Icon
To Next Page IconTo Next Page
To Next Page IconTo Next Page
To Previous Page IconTo Previous Page
To Previous Page IconTo Previous Page
Loading...
44
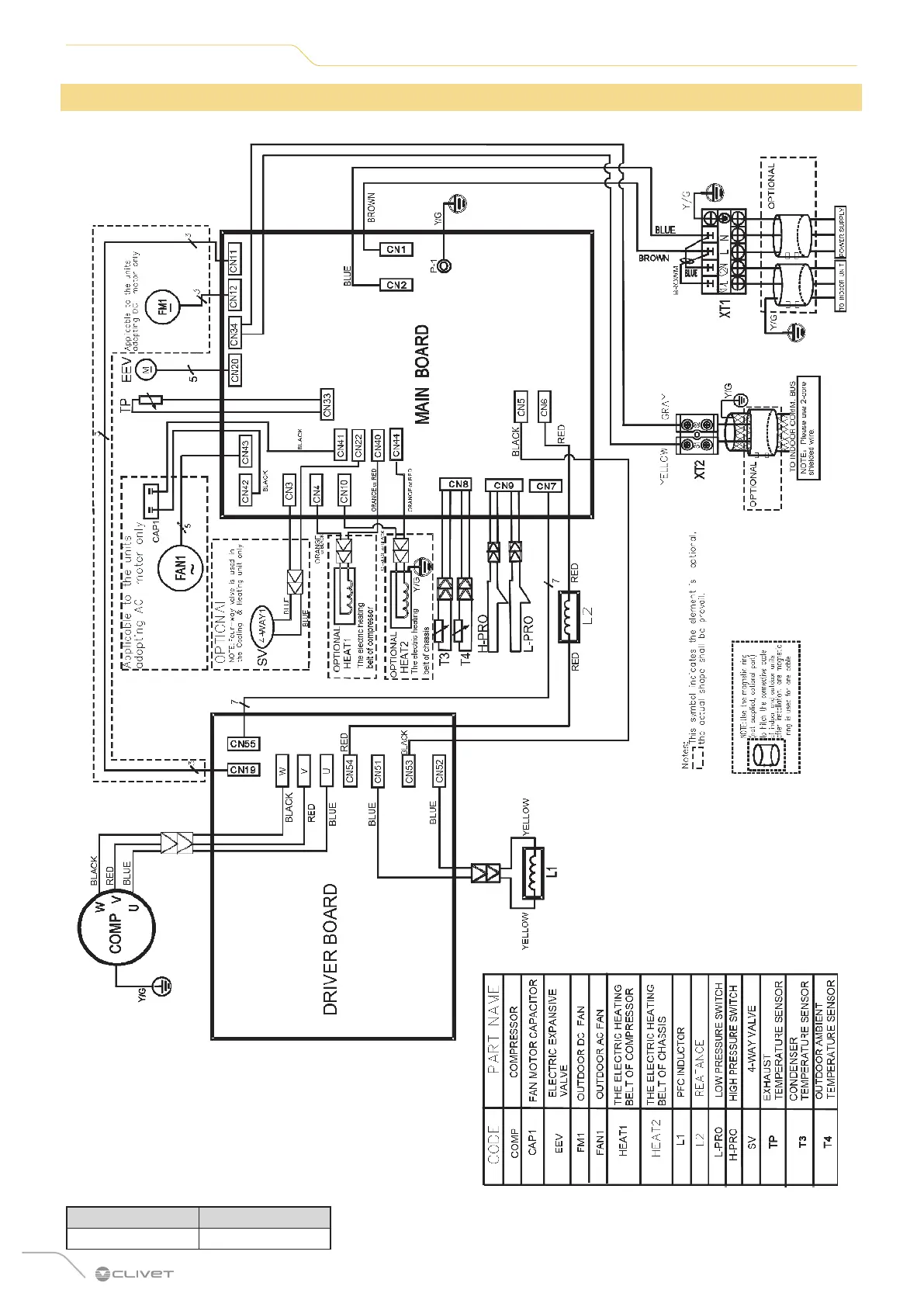
Technical data
8.6 Outdoor unit wiring diagrams (120M)
SERIES SIZE
MC2-Y 120M

Table of Contents

Other manuals for CLIVET MC2-Y 160T

Related product manuals