EasyManua.ls Logo

CLIVET MSAN 121 - Connection to a Pc or Bms; Optional Connections

CLIVET MSAN 121
Print Icon
To Next Page IconTo Next Page
To Next Page IconTo Next Page
To Previous Page IconTo Previous Page
To Previous Page IconTo Previous Page
Loading...
43
OPTIONAL CONNECTIONS
CONNECTING AN ANOMALY SIGNAL DEVICE
In the same area of the wiring diagram, identify the cumulative alarm circuit. This circuit allows an audible or visual signalling
device to be installed for warning of anomalies in the unit.
The signalling device should be powered at low voltage (12V, 300mA) as per the wiring diagram.
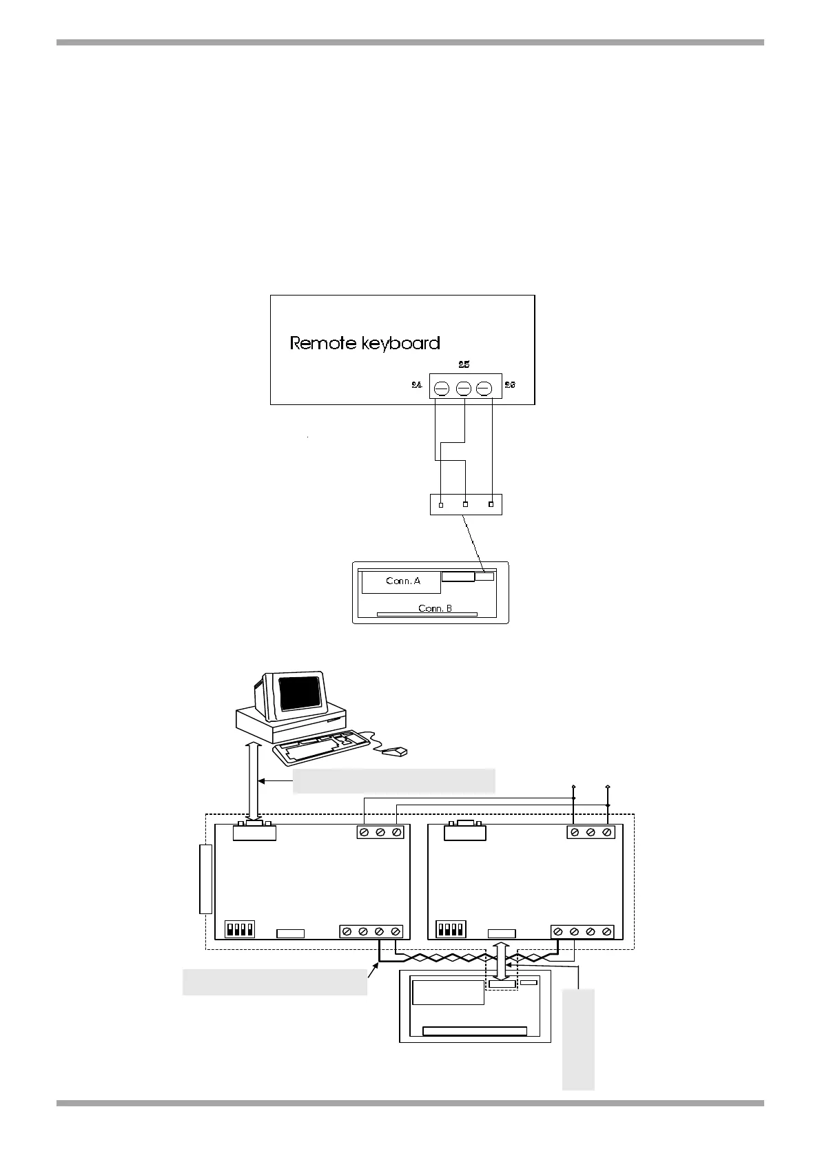
CONNECTION TO THE REMOTE CONTROL MODULE
The remote control module is A faithful reproduction of the keypad on the ENERGY LIGHT control module and allows all the
operations on the machine to be performed from a remote location. The connection kit includes:
REMOTE CONTROL MODULE, made up of two types of keypad, a display keypad and a LED keypad. The display keypad
is a faithful copy of the display of the information on the instrument. In the LED keypad the display is not present and thus
the parameters cannot be modified. The only function available is the resetting of the alarms.
- Installation
Before connecting the remote control module, disconnect power from the unit by releasing the circuit breaker.
Connect the remote keypad as shown in the figure.
The maximum length of the connection cable between the ENERGY LIGHT and the keypad is 80m.
CONNECTION TO A PC OR BMS
Conn. A
Conn. B
C5121230
Serial optocoupled adapter
RS232/TTL
RS 232/RS485 - RS485/TTL
Micronet and ModBus P rotocol
1 2 3 4
RS 232
RS 485
TTL
Serial optocoupled adapter
RS232/TTL
RS 232/RS485 - RS485/TTL
Micr onet and ModBus P rotocol
1 2 3 4
RS 232
RS 485
TTL
Alimentazione
10 12
ON
OFF
ON
OFF
C5121248
Cavo seriale 5vie 2molex
Lunghezza Max = 2mt
Alimentazione
10 12
+
-
21
22
23 24
+
-
+
-
21 22 23 24
+
-
C5121425 C5121425
DT R
ECHO
N U
N U
230 Vac
PE1P0005
\
TO BE PERFORMED BY THE CUSTOMER
RS232 connection cable, 9 pin male-femaleMax
length 10m
TO BE PERFORMED BY THE CUSTOMER
RS485 serial cableTwisted pair
Maximum length of the line=1000m
C5121248
5 way 2 Molex serial
cableMax length 2m
Rear part

Table of Contents

Related product manuals