EasyManua.ls Logo

COBIA 296 CC 2014 - Page 36

Default Icon
40 pages
Print Icon
To Next Page IconTo Next Page
To Next Page IconTo Next Page
To Previous Page IconTo Previous Page
To Previous Page IconTo Previous Page
Loading...
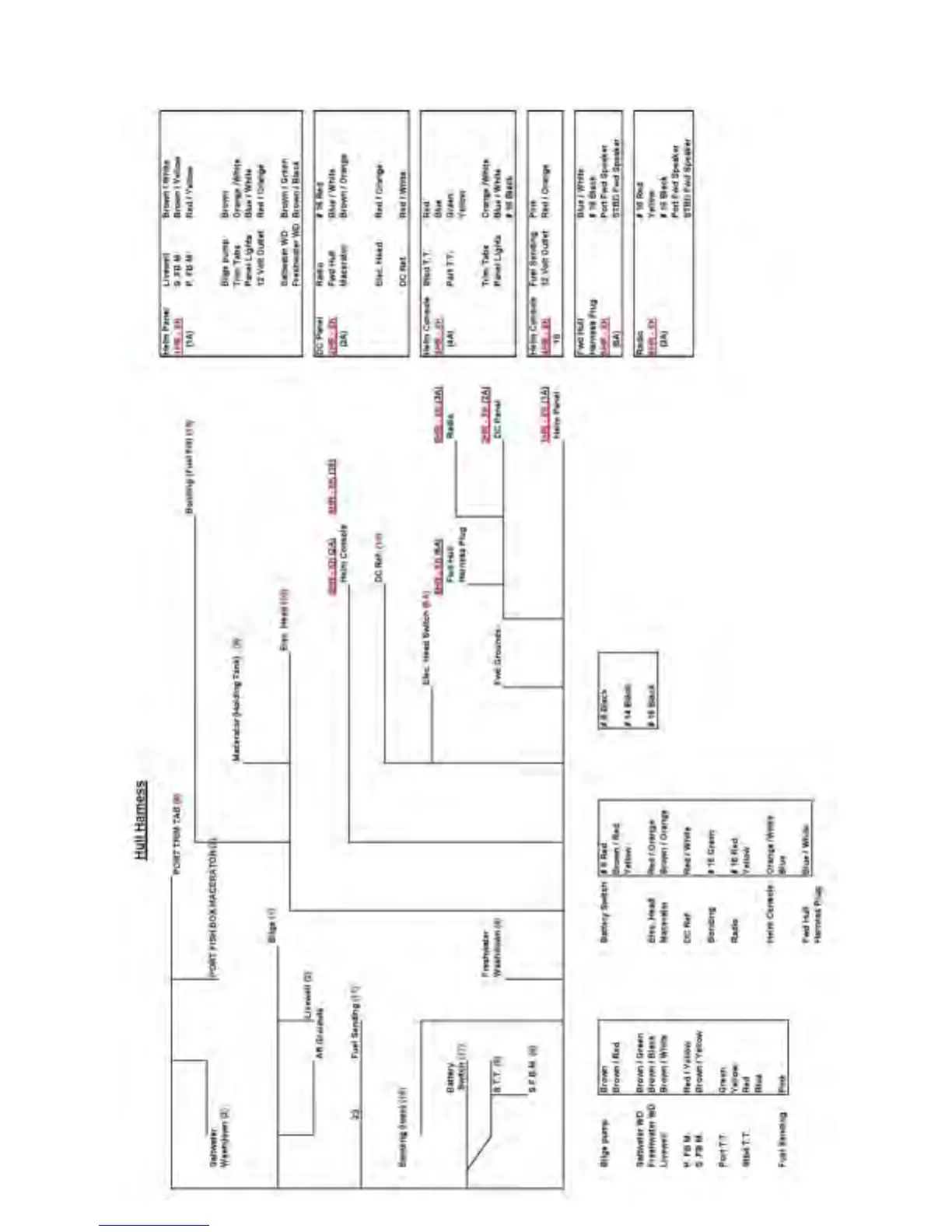
296 Hull Wiring Harness

Related product manuals