EasyManua.ls Logo

Coby CX CD377 - Getting Started

Coby CX CD377
28 pages
Print Icon
To Next Page IconTo Next Page
To Next Page IconTo Next Page
To Previous Page IconTo Previous Page
To Previous Page IconTo Previous Page
Loading...
Page 14 Coby Electronics Corporation
www.cobyusa.com Page 15
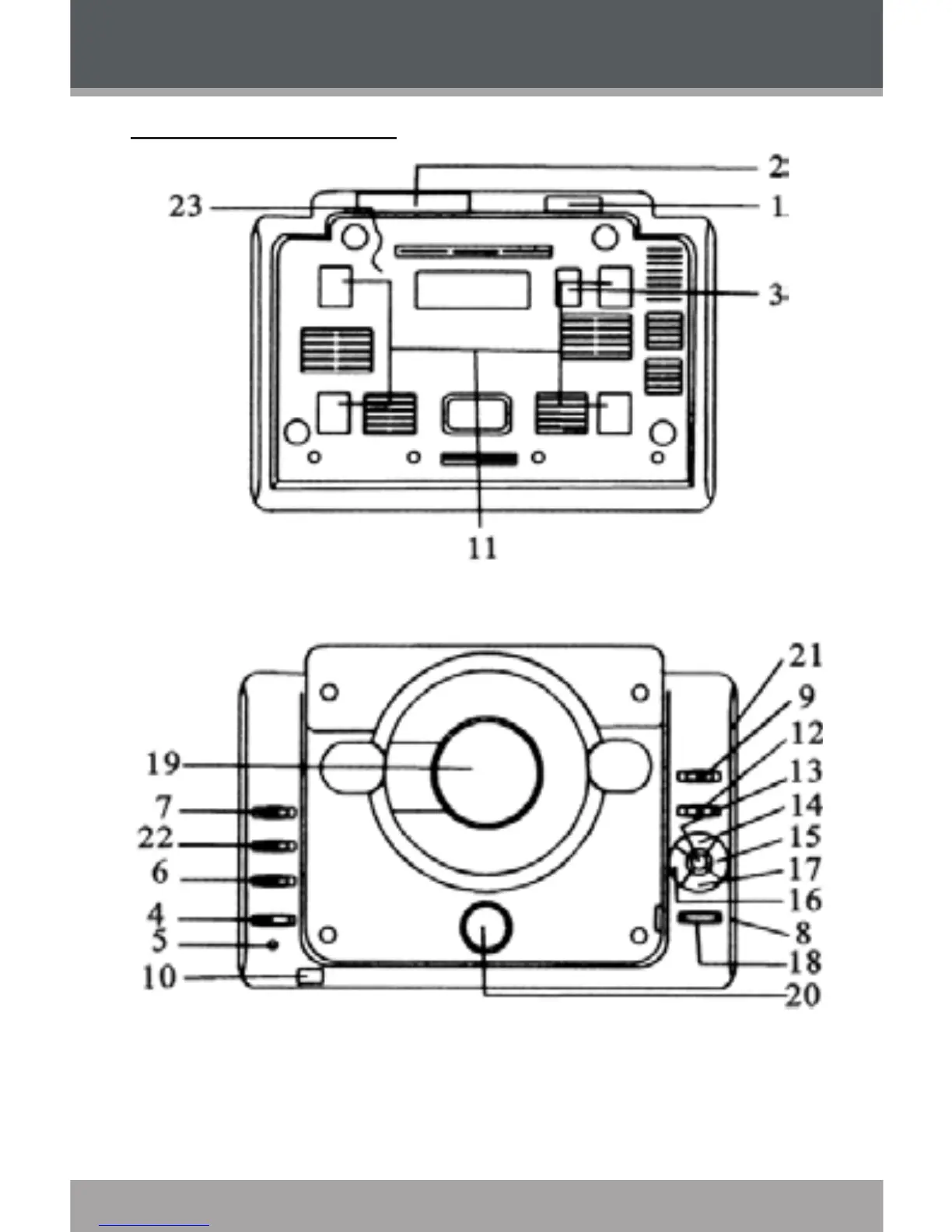
GETTING STARTED
CX-CD377 at a Glance

Related product manuals