EasyManua.ls Logo

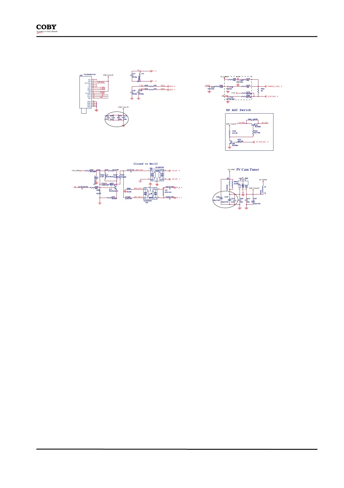
Coby TFTV3225S2 - Tuner and RF Circuits; RF AGC Switch; 5 V Cam Tuner

Coby TFTV3225S2
21 pages
Print Icon
To Next Page IconTo Next Page
To Next Page IconTo Next Page
To Previous Page IconTo Previous Page
To Previous Page IconTo Previous Page
Loading...
Service Manual
Sep. 30th, 2010 (Version 1.3) Page 18 / 21

Related product manuals