EasyManua.ls Logo

Comelit 316 Touch - Page 10

Comelit 316 Touch
12 pages
Print Icon
To Next Page IconTo Next Page
To Next Page IconTo Next Page
To Previous Page IconTo Previous Page
To Previous Page IconTo Previous Page
Loading...
NC NO
-
V V
+
M
O
C
-
+
1596B
100-240 V
R
T
E
R
L
2
NC NO
M
O
C
2 2
RX RX TXTX
3454HD
-
+
IN
-
+
OUT
2G60002537
ORANGE
WHITE ORANGE
GREEN
WHITE GREEN
++
-
TX
L
1441
OUT
43
OUTOUT
21
IN
21
IN
1440
+
-
OUT
N
-
+
V V
100-240 V
OUT
43
OUTOUT
21
IN
21
IN
1440
+
-
OUT
1
N
C
6203W
+
-
AL
G
N
D P
F
C
SS
6802W
6602W
P
A
N
V
C
N
1
OP
+
OP
-
1
OUT
-
C
F
P
V
-
AL
S
+
S
-
2633
1
N
C
+
-
AL
G
N
D P
F
C
SS
P
A
N
V
C
N
1
1
OUT
C
F
P
AL
S
+
S
-
0
1
IN
6722W
C
N
1
1
N
I
2
N
I
3
N
I
D
N
G
6802W
P
A
N
V
C
N
1
1
OUT
C
F
P
AL
S
+
S
-
0
1
IN
6742W
C
N
1
1
N
I
2
N
I
3
N
I
D
N
G
6602W
P
A
N
V
C
N
1
OP
+
OP
-
1
OUT
-
C
F
P
V
-
AL
S
+
S
-
SE
GND
SE-
IT
EN
FR
NL
DE
ES
Pulsante comando apriporta locale
Local lock release button
Bouton ouvre-porte sortie
Lokale bedieningsknop deuropener
Taste lokaler Türöner
Кнопка локального устройства управления
открытием двери
Pulsador abrepuertas local
Yerel kapı açma komutu düğmesi
Botão de comando de abertura da porta local
Przycisk polecenia otwarcia drzwi mieszkania
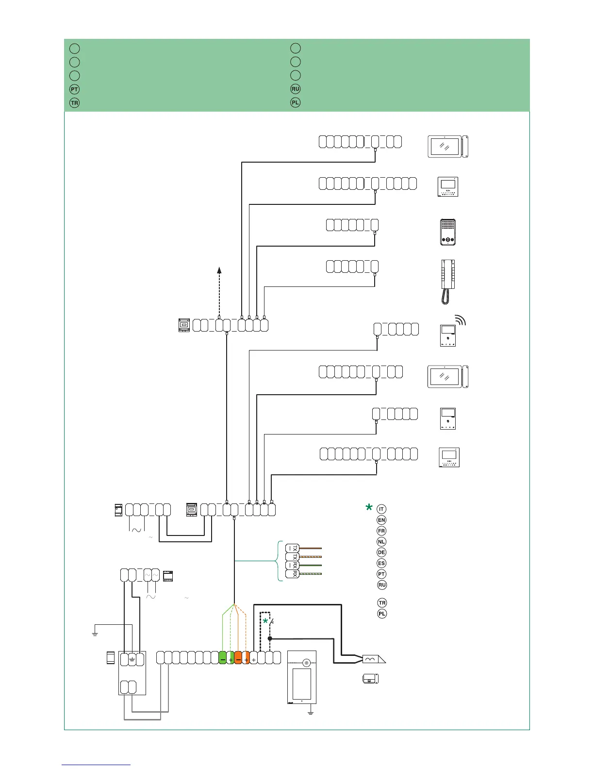
Schema di collegamento Wiring diagram
Schéma de connexion
Anschlussplan
Esquema de ligação
Bağlantı şemaları
Esquema de conexión
Cхема соединений
Aansluitschema
Schemat połączeniowy

Related product manuals