EasyManua.ls Logo

Commax JNS-36 - Connection Diagram; Operating Instruction; Calling from Sub Station to Master; Calling from Master to Sub Station

Commax JNS-36
9 pages
Print Icon
To Next Page IconTo Next Page
To Next Page IconTo Next Page
To Previous Page IconTo Previous Page
To Previous Page IconTo Previous Page
Loading...
- 6-
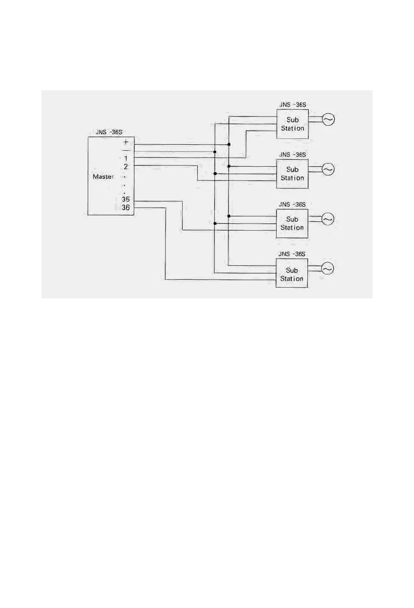
6. Connection diagram
7. Operating Instruction
7-1. When call a sub station in master.
7-2. When call a master in substation.
common two wire and individual one wire
Please press a select button that you want then a LED in the button is "ON".
With hand-set communicating you can talk in two way communication.
Under using a intercom way of communication, You can talk through talk button.
With pressing the call button in substation the LED Lamp in master is "ON" and Melody is
transmited.
The call Lamp & corrider lights will be "OFF" at same time.
Please press the master button or lift up the hand set to talk.
Please return the select button after finishing a talk.