EasyManua.ls Logo

Commodore Amiga A500 - Page 278

Commodore Amiga A500
283 pages
Print Icon
To Next Page IconTo Next Page
To Next Page IconTo Next Page
To Previous Page IconTo Previous Page
To Previous Page IconTo Previous Page
Loading...
F
I
RE
l
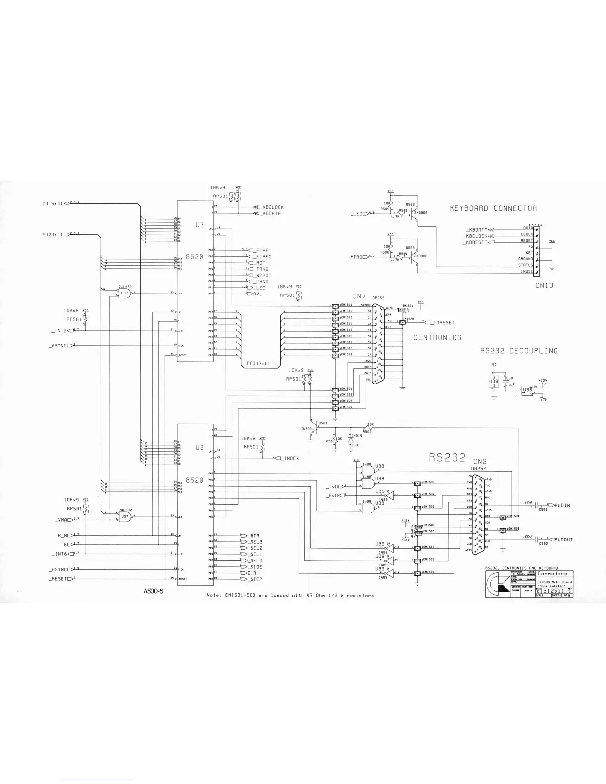
8520
:::E::;;E0
,M
l
PRY
TRKO
PR~
WPROT
-L
E
D
KEYBOflRD CONNECTOR
8-PIN
S1L
CLOCK
GRol::!
,
STATUS
CN13
CENTRONICS
R5232 DECOUPLING
A500-5
Note:
EMI501-503
are
loaded
with
U7
Ohn
1/2
W
resistors

Related product manuals