EasyManua.ls Logo

CommScope 760230938 - Page 2

CommScope 760230938
9 pages
Print Icon
To Next Page IconTo Next Page
To Next Page IconTo Next Page
To Previous Page IconTo Previous Page
To Previous Page IconTo Previous Page
Loading...
860660202 Rev. B www.commscope.com
Instruction Sheet
© 2021 CommScope, Inc. All Rights Reserved Page 2 of 9
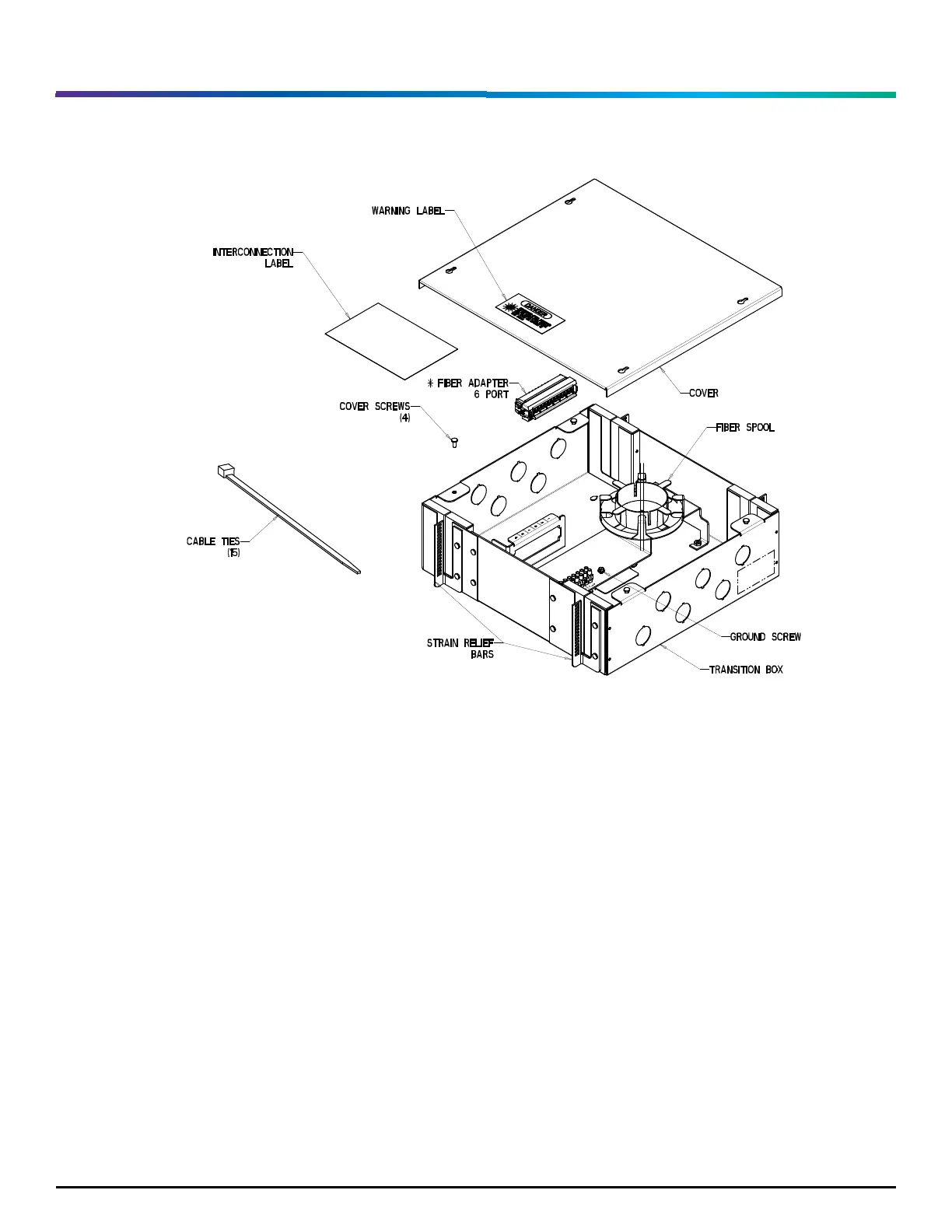
3. Components
*CommScope 6 Port Fiber Adaptor must be ordered separately. See Table 1 for recommended MIDs.
4. Description
The TB kit contains the plenum rated transition box and cover, plenum rated cable ties, and connectivity
label. The G2 6 port fiber adapter can be ordered separately from www.commscope.com. The TB is
designed to accommodate up to six (6) PFC channels, with each channel consisting of two power
conductors (+ and -) and one duplex fiber connection (TX/TR).
The TB is designed for indoor use, and may be located in the plenum space. Cable can enter the box
through fire foam lined cable slots or through standard ¾ inch electrical conduit. Excess fiber can be
safely managed and stored on the built-in fiber spool.

Related product manuals