EasyManua.ls Logo

Comprag F Series - Page 48

Comprag F Series
108 pages
Print Icon
To Next Page IconTo Next Page
To Next Page IconTo Next Page
To Previous Page IconTo Previous Page
To Previous Page IconTo Previous Page
Loading...
48 Version 1.4
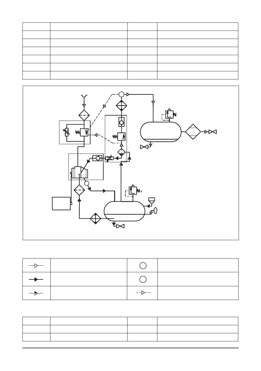
4 Luftlter 14 Wärmeaustauscher Ölabschnitt
5 Einlassventil 16 Öllter
6 Luft-/Ölabscheidetank 17 Ablassventil
7 Sicherheitsventil 18 Öllter Stopfen
8 Luft-/Ölabscheider 19 Sichtglas
9 Drosselventil 20 Ablassventil
10 Rückschlagventil
Bild 2.3.2 Ablaufdiagramm FR05..-FR22.., FRD05..-FRD22..
Т
Р
Luftuß
Т
Р
Temperaturfühler
Т
Р
Öluß
Т
Р
Drucksensor
Т
Р
Luft/Öl Gemisch
Т
Р
Pneumatische Steuerleitung
Hauptkomponenten
1 Elektromotor 12 Rückschlagventil
2 Riementrieb 13 Wärmeaustauscher Luftabschnitt
3 Schraubenblock 14 Wärmeaustauscher Ölabschnitt
M
1
2
3
6
7
8
11
12
9
10
13
20
4
5
18
14
16
17
19
P
T
7
17
22
21
слив конденсата
к потребителю
zum Anwender
Kondensatablass

Related product manuals