EasyManua.ls Logo

Comprag RDX Series - Page 18

Comprag RDX Series
80 pages
Print Icon
To Next Page IconTo Next Page
To Next Page IconTo Next Page
To Previous Page IconTo Previous Page
To Previous Page IconTo Previous Page
Loading...
18
Version 2.2
N
A
B
C
3 X 380-415VAC
Q1
R
F2
2A
K1
10
11
12
13
HP
LP
EL
C
4
3~
F
M1
K1.1
V1
1
2
6
5
3
PE
Bp
A1
P
S3
P
S2
K2
7
P
S1
T
Ft1
F1 2A
3~M2
K2.1
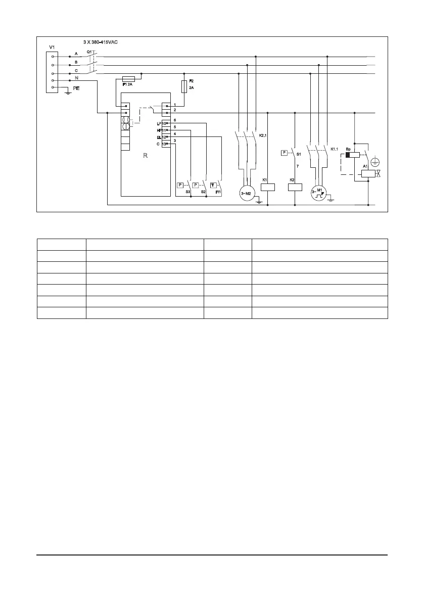
Fig.3.5.3 V.2 Electric schematic diagram RDX 100-360
K1 Contactor V1 Plug
K2 Contactor S3 Pressure switch HP failure
M1 Compressor S2 Pressure switch LP failure
M2 Fan Ft1 Temperature relay
A1 Condensate drain valve Q1 Main switch
S1 Fan pressure switch R Controller board
F1, F2 Fuse Bp Timing switch

Table of Contents

Related product manuals