EasyManua.ls Logo

Comprag RDX Series - Подключение К Электропитанию И Эл. Схема

Comprag RDX Series
80 pages
Print Icon
To Next Page IconTo Next Page
To Next Page IconTo Next Page
To Previous Page IconTo Previous Page
To Previous Page IconTo Previous Page
Loading...
66
Версия 2.2
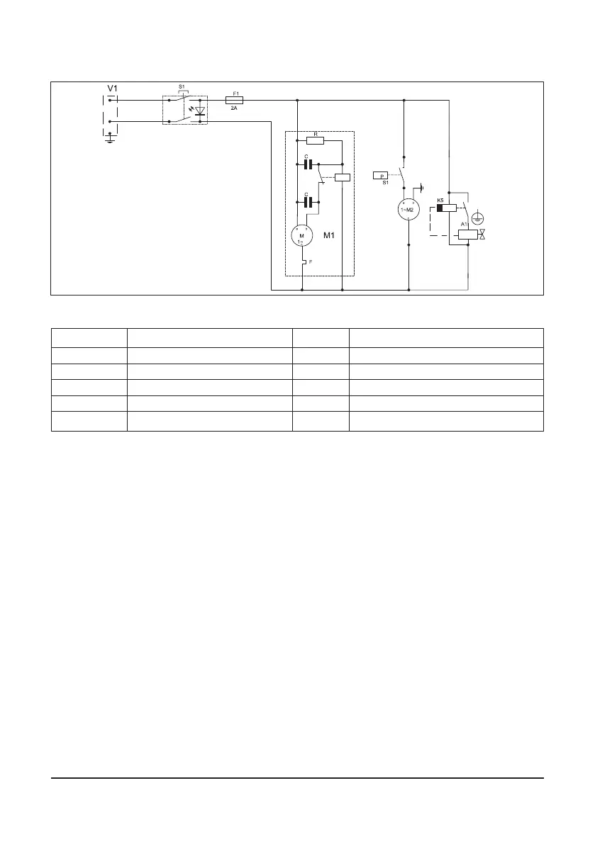
3.5 Подключение к электропитанию и эл. схема
Рис.3.5.1 V.2 Cхема электрическая принципиальная RDX 04-77
Обозн-ие Наименование Обозн-ие Наименование
К5 Таймер M1 Компрессор
S1. Кнопка СТАРТ/СТОП/ИНДИКАЦИЯ M2 Вентилятор
F1 Предохранитель A1 Клапан сброса конденсата
V1 Вилка электрическая S1 Реле давления вентилятора
F Термовыключатель

Table of Contents

Related product manuals